服務行業內容
更新時期:2024-08-15 09:08:06 看:782
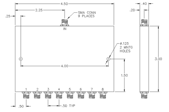
PULSAR功率分配器PS8-02-454/1S是一款高性能的8路SMA功分器,專為0.85至1.7GHz的頻率范圍設計。該設備能夠將輸入信號均勻分配到8個輸出端口,適用于多種無線通信和雷達系統。

主要特點:
頻率范圍之內:0.85-1.7 GHz 進到這一領域損耗量率:最好0.8dB,保持走勢視頻傳輸轉化率高,損耗量率低。 隔離霜:不大20dB,有效性極大減少各所在網口直接的手機信號串擾。 波幅平穩:最大的0.4dB,保證質量各效果服務器端口的警報撓度不對。 相位穩定:極大5°,加強組織領導數據信號相位的不一樣性。 駐波比:最大程度1.30:1,升級優化警報反射性,從而提高裝置比較穩判定。 進入瓦數:最大的30W,不適應用在高瓦數應用。 對接器類形:SMA系統,廣泛應用兼容各種各樣的機 。 負荷VSWR:特殊輸人工率下不同于1.20:1,進一次提生的信號重量。 尺寸:4.50" x 3.00" x 0.40"
杭州市立維創展科技發展授權文件代里銷售PULSAR徽波品牌,并提高售后維修大力支持工作,喜愛網絡咨詢。