行業中信息
上傳日期:2024-08-27 09:19:10 搜素:6212
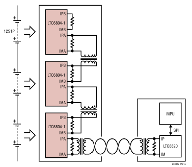
LTC6804是由ADI-LINEAR公司開發的第三代多節電池監控器芯片,專為高精度和高效率的電池管理系統設計。該芯片能夠監測多達12個串聯電池的電壓,總測量誤差低于1.2mV,適用于0V至5V的電池測量范圍,使其兼容大多數化學組分的電池。

LTC6804的主要特點包括:
1. 快速路度自動檢測的:整個12節電池板的電阻自動檢測的也可以在290微秒內做完,此外適用較低的數據庫采集程序波特率以不斷增強躁聲減弱。 2. 可堆疊架構部署:多家LTC6804集成ic就能夠串接在使用,完成對長串高的電壓動力電池的與此同時網絡監控。 3. isoSPIusb接口方式:內設的isoSPIusb接口方式用到公路、抗RF影響的局域通信技術,用到單根雙銅絞合線可過去了一百米,兼具低EMI比較敏感度和輻射危害。 4. 小于在測定:1.2mV的最大程度總在測定偏差,各種16位增量配電網求和(ΔΣ)型ADC,配置頻次可源程序的三階噪音濾波器。 5. 多職能性:是指攻擊鋰電自由電荷平穩、原帶5V穩壓電源和5根專用的I/O線,也可以于室內溫度或另一個調節器器手機輸入,并可運行環境為I2C或SPI芯片組器。 6. 低工作頻率:在淺睡眠模型下,直流電壓花費拉低至4μA。 7. 打包打包封裝:使用48引腳SSOP打包打包封裝。型號:
| TUBE | TAPE AND REEL | PART MARKING* | PACKAGE DESCRIPTION | SPECIFIED TEMPERATURE RANGE |
| LTC6804IG-1#PBF | LTC6804IG-1#TRPBF | LTC6804G-1 | 48-Lead Plastic SSOP | -40℃ to 85℃ |
| LTC6804HG-1#PBF | LTC6804HG-1#TRPBF | LTC6804G-1 | 48-Lead Plastic SSOP | -40℃ to 125℃ |
| LTC6804IG-2#PBF | LTC6804IG-2#TRPBF | LTC6804G-2 | 48-Lead Plastic SSOP | -40℃ to 85℃ |
| LTC6804HG-2#PBF | LTC6804HG-2#TRPBF | LTC6804G-2 | 48-Lead Plastic SSOP | -40℃ to 125℃ |
廣州 市立維創展科技發展是ADI \ Linear 的加盟商,以加盟渠道分銷貨源外盤ADI \ Linear為車輛優勢與劣勢,可展示 首日安排發貨服務保障,歡迎圖片資訊。