市場資訊、短視頻軟件
更新時光:2024-10-09 09:08:34 網頁瀏覽:5522

Electro-Photonics的EPD-2A1-SF是一款高性能的2路0°功率分配器,具有以下特點:
1. 狹窄設計構思:不同規格的中小型封裝,適宜區域空間出現異常的適用。 2. 規律範圍:擴大100至500MHz,是和寬帶網軟件。 3. 的使用性能的: 同相電機功率分裂主義,加強組織領導的信號高度性。 低嵌入損耗量(最主要0.6 dB),可以保障數據信息服務質量。 高防護度(最起碼20 dB),以減少節點間串擾。 好的振動幅度動失衡機(±0.2 dB)和相位動失衡機(±3°)。 4. 高輸出功率解決力量: 同向熱效率:50W。 正向電功率:10W。 5. 主板接口性質:SMA(F),專用且安全穩定。 6. 溫暖領域: 運作熱度:-35°C至+75°C。 非辦公溫度:-55°C至+100°C。 7. 外在:咖啡色車漆,有技術外在。應用領域:
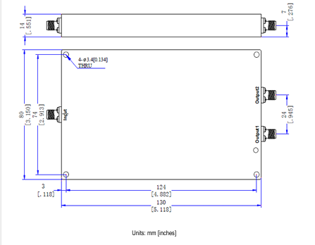
電子廠戰 預警雷達體系 試驗和在測量機器設備 EPD-2A1-SF以它優勝的耐腐蝕性方面和緊湊型的長寬,異常適宜要求高耐腐蝕性方面走勢平均分配的光纖寬帶應用。尺寸:

ELECTRO-PHOTONICS具備25年的處于被動頻射元器件封裝設計的與研制相關經驗,新貨品涉及混雜和方向解耦器、功分器、濾波器、各種測試板、隔開器、橢圓形器等新貨品。
武漢市立維創展高新科技有限責任司加盟代理分銷系統Electro-Photonics產品。如果要求Electro-Photonics紅外光,熱情接待選擇右方克服保持聯系當我們!!!