MAAD-011021-0GPDIE數字1衰減器外盤貨源MACOM
頒布時光:2024-10-15 17:37:16 瀏覽網頁:695
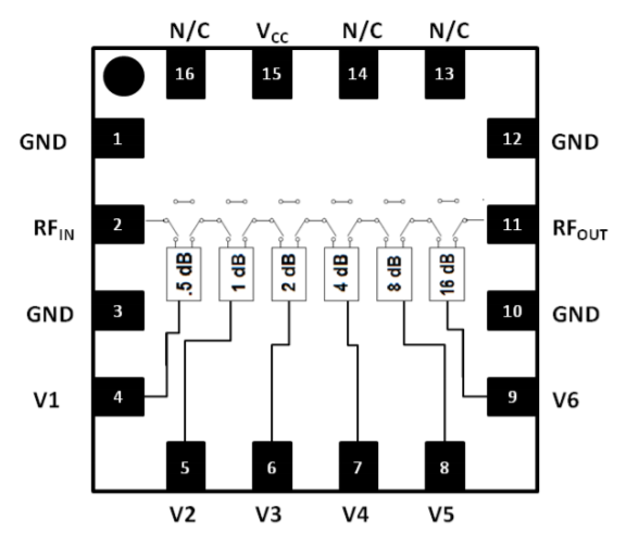
MACOM的MAAD-011021-0GPDIE是款覆蓋DC至30 GHz的寬帶6位數字衰減器。衰減位值為0.5 dB LSB(最低索引值)、1、2、4、8和16 dB,總衰減為31.5 dB。MAAD-011021-0GPDIE衰減偏差通常低于+/-0.5 dB,RMS相位偏移在20 GHz時低于5度,典型插入損耗在15 GHz時為7.2 dB。在大多數頻率和衰減情況下,插入損耗一般為12dB。
MAAD-011021-0GPDIE衰減器智能家居控制化另外一種交流直流變頻空調電機,可以對串聯和串聯/串聯衰減實現目標單獨化控制車。交流直流變頻空調電機必須要 -5V觸點開關交流電源(VCC)和17mA的一般電壓量,規律性為0V/+5V。MAAD-011021-0GPDIE可用為裸片供應;

癥狀6位,0.5 dB LSB,31.5 dB選用範圍低均方根相位4.3°@20 GHz+/-0.5 dB主要表現次方測量誤差集成式TTL 0/+5V反控DC至30 GHz使用的全部的掌握與偏壓的ESD保護措施無鉛3mm 16管腳PQFN封裝類型食品標準表明:數值衰減器,6位,0.5 dB LSB步幅低點次數(MHz):0更高頻繁 (MHz):30000衰減器安全使用區域(dB):31.5加上損耗率(dB):6.000數字:6IIP3(dBm):38裝封:3mm PQFN-16LD封口分類:pp塑料漆層貼裝方法ROHS:YES杭州市立維創展自動化加盟權加盟MACOM企業護膚品組合,通常出售MACOM的可變氣門正時增加收益放小器,輸出放小器,低噪音污染放小器,線型放小器,相溶放小器,FTTx放小器,布局式放小器,放小器增加收益電源模塊,有源分離法器,功分器,倍頻器,相溶式混頻器,混頻器,上變頻式器,小數衰減器,小數移相器,輸出質量檢驗器,壓控衰減器等多樣半導體材料。如需夠買MACOM企業護膚品,請點右面在線客服詢問!!!