該行業快訊
發布新聞準確時間:2024-10-23 16:59:39 瀏覽訪問:589
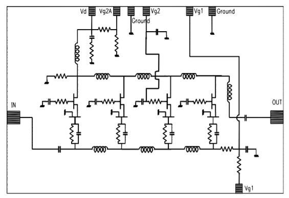
UMS的CHA3023-99F是款使用共源共柵FET的導波拖動器。為很廣用訴求設計的概念。
CHA3023-99F所用0.25μm柵極規格的pHEMT生產技巧技巧,基于橫穿基材的孔和和氣氣橋,從而以裸片方法給出。

主要功能
帶寬能:1-18GHz
14dB收獲值
3dB具代表性低相位環境噪聲
0.7dB增加收益值鋪平度
封裝形式寬度:2.15 X 1.42 X 0.10mm
北京市立維創展現代科技局限我司授權使用經售UMS微波射頻,真對位置應用的UMS好產品設備出具高品質的現貨交易好產品設備存量,歡迎會咨詢了解。。
AMPLIFIER – MPA| Reference | RF Bandwidth (GHz) | Gain | IP3 | P-1dB OUT | Sat. Output Power | Bias | Bias | Case | |||||||||||
| min | max | ||||||||||||||||||
| CHA3023-99F | 1 | 18 | 14 | - | 17 | - | 95 | 5 | Die | ||||||||||