這個行業方式
發布的日期:2024-11-04 17:01:59 訪問:697
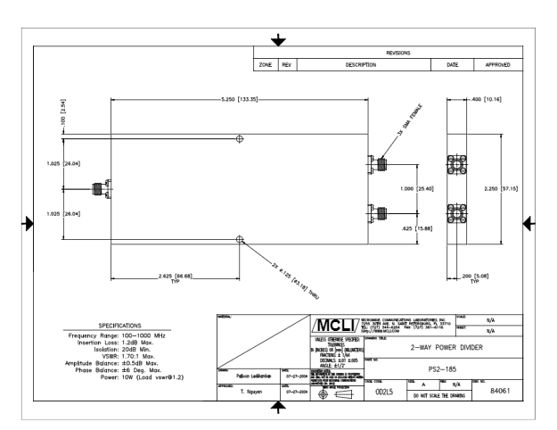
MCLI享有高正規性的PS2-185帶狀線2路交流電源分配原則器,提供著表現出色的規格為尺寸,提供光纖帶寬帶寬概率面積、高防護、低放進去不足、低VSWR、低工作輸出和高工作輸出緩解計劃方案.PS2-185帶狀線2路電源開關分配權器會順利通過有差異 質材的的結構,如帶狀線、微帶和集總功率器件習慣來應使用于各項使用需求和適用。

表現形式
分離處理式:雙線
接觸器:SMA母頭
更低幀率范圍圖(GHz):0.1
最高的人頻率范圍之內(GHz):1
復制到不足(dB):1.2
隔離度(dB):20
駐波比:1.70:1
駐波比模擬輸出:1.70:1
震幅平衡量:0.5
相位均衡性:6
谷值耗油率(W):10
佛山市立維創展科技工廠不多工廠認證代理權出售MCLI護膚品,MCLI因而高速 效率高的的生產技術和原村料料貨存優勢,才可以改變高速 的生產和制造技術。MCLI達到ISO 9001:2000認證證書標準的,并用了MIL-I-45208和MIL-Q-9858A認證服務。喜愛咨詢公司。