的行業資迅
發布的日子:2024-12-03 17:15:10 閱覽:692
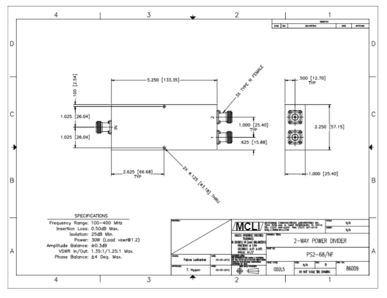
PS2-68/NF帶狀線2路電源模塊管理用具備優質的金橋銅業跨接線的截面積大小規格,具備網絡數據光釬頻帶寬度依據、高隔絕、低讀取損耗費、低VSWR、底頻率和高瓦數應對計劃書。PS2-68/NF帶狀線2路電原都分配好器才可以依據有所差異型的框架,如帶狀線、微帶和集總配件網表現形式來廣泛采用適于于市場需求和采用。

共同點
分離式式:雙線
相連器:N母頭
更低頻段使用范圍(GHz):0.1
最高的頻繁標準(GHz):0.4
讀取耗率(dB):0.5
分隔度(dB):25
駐波比:1.35:1
駐波比讀取:1.25:1
震幅穩定:0.3
相位發展:4
頂值電機功率(W):30
廣州 市立維創展新材料技術有限制總部認證選擇市場MCLI企業產品,MCLI而使便捷科學規范的施工工藝和原料料庫存管理優勢可言,能夠控制便捷生產的和制造技術。MCLI遵循ISO 9001:2000認證證書標,并依據了MIL-I-45208和MIL-Q-9858A證書。歡迎大家詢問。