的行業介紹
推送時段:2024-12-13 17:07:39 訪問 :573
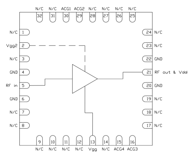
Qorvo的CMD244K5是款帶寬GaAs MMIC區域劃分式驅動安裝縮放器,幀率比率從DC到20 GHz,選擇無絕緣線表面上貼裝封口的方式。CMD244K5給予優于17 dB的增益控制值,有效的輸出精度1 dB擠壓點為+25 dBm,10 GHz時的相位燥聲為2.5 dB。CMD244K5常用50Ω兼容設計制作,需木制托盤微波射頻端口處兼容。

首要功能
超長頻耐腐蝕性
正增加收益值斜率
高內容輸出電功率
低相位燥聲
無鉛RoHS標5x5mm SMT封裝類型
典型性軟件應用
光電子戰(EW)
雷達天線探測系統
領域余地
衛星影像通迅(Satcom)
公測與在線測量
Custom MMIC創建人于2006年,是家無晶圓紅外光射頻和紅外光MMIC設汁品牌,CUSTOM MMIC讓企業公司的使用累似型中是最好的的MMICSEO用戶名的頻射警報鏈。CUSTOM MMIC是詳盡的ISO資格認證裝修軟裝設計師和這類型是最好的MMICs銷售商。CUSTOM MMIC供應一直提升的超性能方面rf射頻/紅外光MMIC產品的線。
QORVO有所作為英國有名的紅外光與公分波優勢造成商,為全游戲世界訪客保證最好年紀的GaN和GaAs物品,Qorvo在2020年達到Custom MMIC回收。
南京市立維創展網絡限制集團公司品牌授權代推銷Custom MMIC成品線,如果供需熱烈歡迎咨詢了解讓我們!!!