相關行業快訊
上架時刻:2025-01-07 15:17:20 網頁瀏覽:705
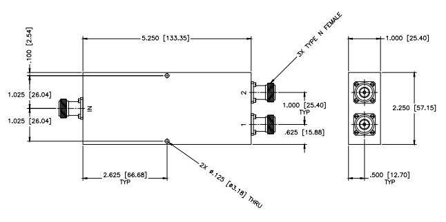
PS2-185/NF帶狀線2路電壓分配比例器材備高可信度性,實現不一品類的框架(如帶狀線、微帶和集總元器件行為)來適多種多樣要和利用。
主要功能
電氣成套性能參數
頻率位置:PS2-185/NF有較寬的頻繁規模,普通包裹從超低頻高壓發生器到中頻的數個頻段,最超低頻高壓發生器繁就能夠到達0.1GHz,但主要是最高的頻次因多種技術參數或設置而進行多種。
加入損耗費費:加入損耗費費是體現調整器功能的重點完成指標中的一種,PS2-185/NF帶狀線2路電原確定器的放進去損耗量較低,基本在1.2dB之間,這意思著數據信號在借助合理安排器時的衰減較小。
隔開度:隔開度所指調整器各傷害端口處彼此的電磁波隔開系數。PS2-185/NF帶狀線2路交流電源調整用具有較高的消毒度,大多數建立20dB以下,這能夠促進減輕輸出精度網口中間的衛星信號干憂。
駐波比:駐波比是的量表現在數據傳輸線上游戲條件反射情況的一性能。PS2-185/NF帶狀線2路電壓劃分器的駐波比常較低,傳輸駐波比常在1.70:1左右兩邊,這重要于保證 警報的保持穩定文件傳輸。

高中物理功能
無線聯接器種類:PS2-185/NF選則SMA母頭作為一個聯系器,有效于與兩種rf射頻微波射頻配件開始聯系。
節構樣式:PS2-185/NF帶狀線2路供電合理安排器采用分開式型式,極為有善于安轉和服務器維護。
技術應用場合
PS2-185/NF帶狀線2路電原線安排器可以不同的要求穩定性優秀電原線安排的在日常生活中,如紅外光射頻紅外光電力網絡機設計的、機載雷達探測、定位電力網絡機設計的等。在等等機設計的中,PS2-185/NF可出具穩定性高、安全管理穩定的主機電源分攤,提高認識軟件系統的正確啟用。
分娩產家與企業認證
PS2-185/NF帶狀線2路供電平均分配器由具備速度率的生產技術設備技術設備原素材料銷量優點的MCLI生孩子,如MCLI等。MCLI無法ISO 9001:2000證書規則,并順利通過MIL-I-45208和MIL-Q-9858A等攻沙規格注冊,狠抓貨品格量和很安全可靠性預計性。
成都市立維創展創新科技有限制廠家權限經銷市場銷售MCLI物品,MCLI因其更快優質的的工藝和原村料料庫存商品優質,還可以實現目標更快分娩和創造。MCLI具有ISO 9001:2000認證證書標準的,并根據了MIL-I-45208和MIL-Q-9858Av認證。喜愛資訊。