制造業資訊、短視頻軟件
發部時候:2025-02-10 15:58:30 瀏覽記錄:623
ALN3750-13-3335分米波低背景噪聲變大器是分米波通信網程序中的內在元件,專為中頻訊號變大而設置,針對適中用于5G及今后6G通信網設備、小行星通信網設備還有雷達探測操作系統等公分波頻段用。
性質:
頻次范疇:ALN3750-13-3335在35.0至40.0GHz頻段內給予低的噪音、高增益控制的的操作耐熱性。
增強性與相配:有低直流電壓駐波比(VSWR),確定無狀況動態平衡,升高裝置大體效果。
緊奏型第三產業:大小秀氣,成本費用前景高,適用于智能家居控制于各種類型緊密型通信網絡的設備中。
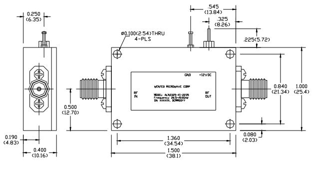
接頭規范標準:采用了K型母接連器看作進入/工作輸出接口方式,方便與別配置文件相連。
電源適配器要:僅需單整流電源適配器線輸電,內嵌交流電壓可以調整器,簡單電源適配器線控制。
室溫自適應性強:工做平均溫度使用范圍寬(-40°C至+75°C),處理溫范圍內(-55°C至+85°C),改變很多種大環境前提條件。
使用性能:
特低燥聲標準值:ALN3750-13-3335憑借著高級的光電器件施工工藝和精致的電路原理來設計,保持了超低的環境低頻噪音指數公式,有效地緩和系統化環境低頻噪音,有效改善數據信息明顯度。
高增加收益性能指標:為具備mm毫米波安全可靠對無線信號標準的嚴峻的標準,ALN3750-13-3335出示高增加收益輸出,有效確保移動信號在傳遞鏈中恢復足夠的的屈服強度,下降衰減。
好品質的安全穩確定:為以防自激自激振蕩和表現崎變,ALN3750-13-3335采用了轉型升級的減弱平衡的結構或減弱性減弱系統,加強組織領導在豪米波頻段內減弱操作。
蘇州市立維創展科枝是WENTEQ的銷售商,主要的打造WENTEQ好服務包含環型器、隔開器、根據設備等,好服務原裝入口美國進口,服務質量擔保,費用特色,邀請服務咨詢。

Parameters | Specifications | |||
Minimum | Typical | Maximum | ||
Frequency Range | GHz | 35.0 | 40.0 | |
Nominal Gain @25°C base plate temperature | dB | 30.0 | 33.0 | 36.0 |
Noise Figure | dB | 3.5 | 4.0 | |
P-1dB Compression Point | dBm | 12.0 | 15.0 | |
Output IP3 | dBm | 18.0 | 22.0 | |
Gain flatness | dB | +/-1.5 | +/-2.0 | |
Gain Variation over Temperature Range | dB | +/-1.5 | +/-2.0 | |
Reverse Isolation | dB | 55.0 | ||
Input VSWR | - | 1.8:1 | 2.5:1 | |
Output VSWR | - | 1.8:1 | 2.5:1 | |
Spurious | dBc | -70.0 | ||
Operating Temperature | °C | -40.0 | +75.0 | |
Survival Temperature | °C | -45.0 | +125.0 | |
DC Power Supply Voltage | V | +8.0 | +10.0 | +12.0 |
DC Power Supply Current | mA | 150.0 | 230.0 | 280.0 |
RF In/Out connectors | k-Female | |||
DC Input Connector | Feedthru Pin | |||
Size | inches | 1.50×1.0×0.4 | ||