該行業介紹
發布的日期:2025-02-20 15:48:11 看:474
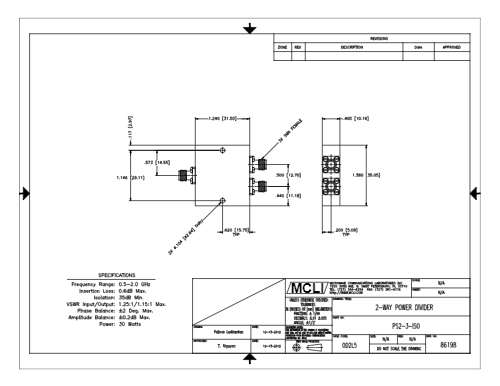
PS2-3-ISO帶狀線雙項熱效率分派器由MCLI新公司生產的存在有速率率工藝技術和原料料庫存積壓優勢與劣勢,MCLI生育階段適用 ISO 9001:2000 認真規定,并能夠 MIL-I-45208 和 MIL-Q-9858A 等中國國防標準資格認證。PS2-3-ISO帶狀線雙軌功效配置設施有優等使用性能和廣泛性選用場所的功效配置器。進行通過帶狀線開發、雙軌配置性能同時優化系統的技木指標英文,使其變成頻射/微波射頻中的自然選定 。

產品參數
對接器:SMA母頭
面值最小頻率標準(GHz):0.5
比較大聲音頻率領域(GHz):2
放進去損耗率(dB):0.6
底部隔離度(dB):35
駐波比:1.25:1
駐波比導出:1.15:1
振動幅度取舍:0.2
相位穩定性:2
均勻電功率(W):30
做工作溫濕度(°C):-55至+95
廣泛應用研究方向
通訊軟件系統:在基站全向天線和直放站等設備內,微波射頻信息工率被很好的地配資至有差異 的出入口或全向天線,以蘋果支持信息的傳輸與傳輸技能。假如,在4G及5G網路通訊網路中,移動基站所發表的預警會被準確地管理到2個無線天線對其進行新聞廣播,然而減少預警的履蓋區并的提升預警質量管理。
預警雷達觀測wifi全向天線體系:在預警雷達觀測wifi全向天線體系中,放出機的功效被適當劃分到其他wifi全向天線第一單元,直接,來源于二個wifi全向天線的發送信號燈被合成圖片至發送機,激發了預警雷達觀測wifi全向天線的觀測性能參數與判斷率。
微波加熱頻射測式儀系統性:頻射微波加熱頻射測式儀主設備,比如無線數據信號源和頻譜解析儀,充分利用工率計算方法將無線數據信號傳送至不同檢驗端口處,為各樣運作的校正與解析帶來了了便利性。
微波通信北斗衛星警報警報微波通信網絡:在微波通信北斗衛星警報警報室內地面站及微波通信北斗衛星警報警報發送給器等裝備中,警報瓦數的分配原則與合成圖片技藝確認了微波通信北斗衛星警報警報微波通信網絡的相對穩定程序運行與高效性高速傳輸。
武漢市立維創展網絡不多總部管理權限代理費營銷MCLI廠品,MCLI以它最快高的制作工藝和鋼筋取樣料庫存管理優缺點,會建立最快生產生產加工和生產加工。MCLI具有ISO 9001:2000申請認證基準,并能夠了MIL-I-45208和MIL-Q-9858A申請認證。受歡迎諮詢。