服務行業新聞咨詢
發部時間間隔:2025-03-13 16:00:54 訪問 :452
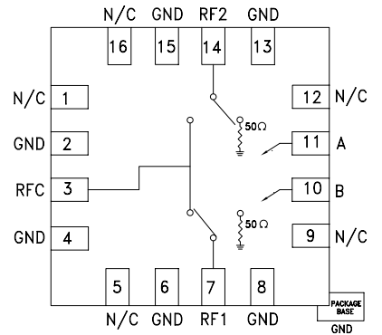
HMC347ALP3E是Analog Devices(ADI)總部認真構造的一個帶寬、高分隔度的非漫反射型GaAs pHEMT SPDT(單刀雙擲)打開。HMC347ALP3E其所匠心的電力設備效果、突出的手機屏蔽安全性能、高的能信性、結實耐用性同時高效果行為,在之多低頻應運環境中鶴立雞群。其寬帶網基本特征、高隔開度和很低的放入衰減,使HMC347ALP3E成rf射頻和微波加熱軟件中無可或缺的首選元件。
核心顯著特點
頻段超范圍:DC 至 14 GHz,不適采用帶寬APP。
高消毒度:>54 dB @ 3 GHz;>44 dB @ 10 GHz。
低讀取耗損:1.8 dB @ 10 GHz,狠抓手機信號傳遞的有效性。
非射線結構設計:變少訊號射線,升高軟件的性能。
封裝:運用 3x3 mm QFN 表貼封口,最適合高規格 PCB 來設計。

高壓電器性能指標
調整直流電壓:通過 -5/0V 的相互依存負掌控的電壓邏輯學,必須特別偏置電原。
本職工作電壓:低至 DC,工作頻率超低。
操作的領域
衛星信號塔根本公用設施:用以衛星信號就能和路由。
光纖傳輸和聯通寬帶鐵通:適用高頻預警工作。
微波通信有線電和 VSAT:適應用在于定位通信設備和徽波無線傳輸。
警用無限電、雷達天線和ECM:做到高穩定性和高能消費需求。
測試軟件方法實驗室設備智能儀表:在中頻測試軟件方法和在測量。
珠海市立維創展科技欧洲一区二区-欧美激情一区二区-国产激情在线-欧美在线一区二区是ADI的渠道代銷商,注意供給圖像放大儀、直線品牌、數據信息轉化器、音短視頻品牌、寬帶網品牌、石英鐘和延時IC、光釬安全可靠企業產品、接口協議和間距、MEMS和感測器器、電源開關和熱經管、外理器和DSP、頻射和立體圖形凈化Cpu、開關按鈕和分派器等,廠品原裝機外盤,價格優劣勢,歡迎大家咨訊。