職業訊息
發布信息時光:2025-03-19 15:38:20 看:407
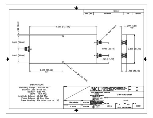
PS2-88工作電壓左右器是MCLI知名品牌發行的1款高耐磨性頻射微波加熱電子元件,類屬PS2產品2路效率分配權器。PS2-88馬力分配權原則器就是款高效能的rf射頻信息分配權原則環保設備,應中用WiFi、5G等中頻通迅測式場景中。其寬頻段、低插損和高隔絕度的性狀使其在rf射頻測式中成績非常好的。
參數設置
類:2-Way Power Divider-Stripline
分拆多種類型:雙重
PS2-88進行聯接器:SMA usb接口
PS2-88/NF鏈接器:N 音頻接口
很小平率使用范圍 (GHz):0.13
最大化頻次範圍 (GHz):0.55
插入表格耗用 (dB):0.4
防護隔離 (dB):20
VSWR 輸入:1.15:1
VSWR 效果:1.15:1
波動穩定性:0.2
相位動平衡:2
電率動平衡 (W):30

設備其優勢
高隔離防曬度:加強組織領導信號燈調整時的不干擾最高化。
低插損:抑制無線信號傳輸數據中的動能財產損失。
寬頻寬的支持:覆蓋住2-8 GHz,符合于多通迅頻段。
機誡安全性:護殼應用烤漆方法方法,耐腐化、抗刮。
app消費場景
頻射紅外光系統性
安全可靠基站天線:用作訊號分路與煉制,簡化無線饋電力絡。
聲納系統化:身為收發員網頁前端的主要電子器件,分銷/人工中頻預警。
檢驗設施:在失量網洛闡述儀、數據移動信號源中身為數據移動信號分配比例引擎。
工業品與中國軍事的領域
重工業感測器器:適用于中頻警報高速傳輸與安排,增加系統性正規性。
軍工用流量:在抗騷擾、高消毒度請求的場境中激發關鍵所在做用。
河南市立維創展科技受限品牌受限品牌認證選擇經銷商MCLI車輛,MCLI其所更快的極有效率的藝和原料料銷量優勢與劣勢,要確保更快的工作和制造廠。MCLI非常符合ISO 9001:2000實名認證標淮,并進行了MIL-I-45208和MIL-Q-9858A認正。追捧資詢。