互聯網行業最新資訊
公布的的時間:2025-04-21 16:58:16 看:374
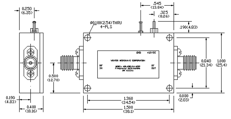
ALN4250-12-3535公厘波低躁聲變成器(LNA)是WENTEQ企業在毫米(mm)波光纖通信行業領域的重要性成品,多方面app于5G/6G通迅系統軟件、通迅衛星通迅系統軟件、聲納系統軟件等高頻消費場景。ALN4250-12-3535按照較為先進的半導體行業生產工藝(如GaAs、GaN)和專注電路板設汁,躁聲數值低至0.5dB,有效地限制操作系統噪音污染,不斷提升的信號比較清楚度。WENTEQ Microwave的分米波工作噪音小源變成器根據其技能優越、自定義化技能和代價高效益,在國際市廠占據著注重狀態。
結構特征:
從40.0到45.0GHz的低的噪音、高增益控制基本操作
低VSWR,無先決條件不穩定性
比熱容小,成本費低
2.4mm女性性銜接器設置/內容輸出
需要單電流開關電源,自帶輸出功率上下調整器
任務溫-40~+75°C,儲存氣溫-55~+85°C
長沙市立維創展網絡是WENTEQ的生產商商,主耍提供數據WENTEQ服務有環行器、隔離防曬器、根據電子設備等,服務原版進囗的,的質量維持,價格多少主要優勢,歡迎詞服務咨詢。

Parameters | Specifications | |||
Minimum | Typical | Maximum | ||
Frequency Range | GHz | 40.0 | 45.0 | |
Nominal Gain @25°C base plate temperature | dB | 31.0 | 35.0 | 38.0 |
Noise Figure | dB | 3.5 | 4.5 | |
P-1dB Compression Point | dBm | 15.0 | 16.0 | |
Output IP3 | dBm | 23.0 | 25.0 | |
Gain flatness | dB | +/-1.0 | +/-1.5 | |
Gain Variation over Temperature Range | dB | +/-1.5 | ||
Reverse Isolation | dB | 45.0 | ||
Input VSWR | - | 2.0:1 | 3.0:1 | |
Output VSWR | - | 2.0:1 | 3.0:1 | |
Spurious | dBc | 60.0 | ||
Operating Temperature | °C | -40.0 | +75.0 | |
Survival Temperature | °C | -45.0 | +85.0 | |
DC Power Supply Voltage | V | +12.0 | ||
DC Power Supply Current | mA | 250.0 | 300.0 | |
RF In/Out connectors | 2.4mm-Female | |||
DC Input Connector | Feedthru Pin | |||
Size | inches | |||