行業內資訊新聞
發布信息時光:2025-04-28 16:35:21 瀏覽網頁:437
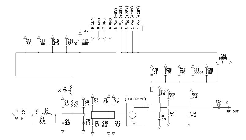
CGH09120F不是款由 Wolfspeed(原CREE科銳)公司的制作的高電子元器件變遷率多晶體管(HEMT),適用氮化鎵(GaN)技術應用,具高效、性價比最高率、高增益值和聯通寬帶的能力,支持裝置移動寬帶衛星信號治理 ,尤為適用于必須要 動態化次數調準的裝置。

主要的特征
次數區域:UHF 至 2.5 GHz。
工作效率效果:120 瓦。
收獲:21 dB。
事業直流電壓:28 V。
封口類型:瓷器/復合法蘭盤打包封裝。
使用率:在 20 W PAVE 時限率是 35%。
應運優勢:能夠特別號碼預模糊(DPD)調節。
技巧差距與好處
基本參數 | CGH09120F | 硅基LDMOS | 備注欄 |
規律超出 | 2.5 GHz | 大部分<1 GHz | GaN在低頻下效應更為重要 |
熱效率規格 | 4.3 W/mm2 | 約1 W/mm2 | 適合密集型結構設計 |
的效率(PAVE) | 35% | 20%~25% | 可觀調低程序耗電量 |
傳熱系數 | 1.2°C/W | 2.5°C/W | 更優質的散熱特性 |
應用領域
無線路由通訊移動基站
作為一個 LTE、WCDMA 或 MC-GSM 移動信號塔設備額定功率變成器的基本點器材,出具便捷率、高規則化的rf射頻的信號變成,影響移動信號塔設備高能耗與運維成本價。
實使用于多載波整合(CA)環境,能夠 DPD 工藝的提升多載波手機信號的曲線度。
雷達天線與電子器材戰模式
在統計衛星發射機中達到移動寬帶4g信號的高效益擴大,支撐蒙題辨率三維成像與對方測探。
適用人群于光學戰中的干預機,依據高耗油率、寬帶網絡寬性質推動可以有效的數據抵抗。
衛星影像通信設備與徽波傳回
在 Ka 頻段或 Ku 頻段北斗衛星電力末端中,作為一個瓦數縮放元器,提供數據安全的表現增加收益與導出瓦數。
符合于紅外光傳送數據文件鏈,扶持長離、高數量的數據文件傳遞。
成都市立維創展自動化是CREE的生產商商,CREE單位的產品收錄:LED集成ic、燈具LED、背光LED、交流電源電開關提升裝置、rf射頻設施用LED和無線數字電專用設備。中鐵二院借助其優勝的供貨渠道方式,成為常年的庫存盤點以具備我們市場的供給。喜愛在線咨詢。