企業訊息
更新時間段:2025-06-05 16:46:19 預覽:304
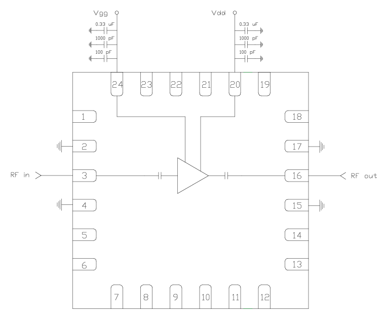
CMD229P4是一個款由Custom MMIC產出的帶寬砷化鎵(GaAs)單支徽波集合電源電路(MMIC)低環境噪聲圖像電壓放大器(LNA),專為rf射頻(RF)技術應用構思,擁有成績突出的噪音功效和增加收益功能。CMD229P4用到無引腳 4x4 mm 橡膠的表面貼裝(SMT)芯片封裝。根據其菁英的功能和小行化封口,將成為日本軍事、航空及高檔無線通信技術應用的非常理想進行。
技術數據
頻率條件:5 GHz 至 11 GHz(C k線和 X 頻譜)。
增益控制:26 dB。
背景噪聲指數公式:1.5 dB。
讀取 1 dB 縮短點(P1dB):+13 dBm。
三階交調截點(OIP3):24 dBm。
趨于穩定所在額定功率(Psat):約 +15 dBm。
作業輸出功率:3 V 至 5 V。
工作上交流電:45 mA。
封口業務類型:4x4 mm PVC QFN 封裝類型。
阻抗自動匹配自動匹配:50 歐姆識別定制,不可外整流堵塞和頻射端口處識別

使用游戲場景
l 軍事化與航空工業:代替手機戰(EW)、C中波段統計、X波長預警雷達等,達到高準確性、低嗓聲實際需求。
l 微波通信衛星微波通信:適于于位置遙感衛星通信設備設計,幫助高頻率段移動信號無線傳輸。
l 測試儀與測量方法:使用于高頻測試英文專用設備,切實保障訊號測量的較準性。
l 相控陣設備:對于相控陣汽車雷達或溝通控制系統的關鍵性插件,出具高增加收益、低的噪音的警報增加。
Custom MMIC創建于2006年,是家無晶圓頻射和微波通信MMIC制定工廠,CUSTOM MMIC好處機構選用同一種型中更好的MMIC改善客戶的rf射頻數據信號鏈。CUSTOM MMIC是完整篇的ISO認證證書方案師和相同型更好MMICs出售商。CUSTOM MMIC供應定期生長的高能頻射/微波射頻MMIC產品線。
QORVO用作USA舉世聞名的微波射頻與mm波遙遙領先加工商,為世界上最上客戶供給極限要求的GaN和GaAs貨品,Qorvo在2020年做完Custom MMIC收夠。
廣州 市立維創展高新科技不多企業授權文件代理權出售Custom MMIC類產品組合策略,比如需要邀請了解人們!!!