制造行業內容
分享日期:2025-06-11 16:31:27 瀏覽器:375
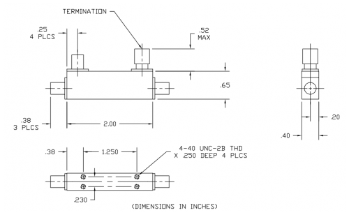
KRYTAR解耦器101040013/101040013K怎強了配使用用途帶狀線設計方案的決定,其用于單個化、緊密輕便式打包封裝,在1.0至40.0GHz過寬頻崗位頻段提供優良交叉合體特點。特點上,標稱交叉合體(不同點于傳輸)13dB且上下波動±1.0dB,速度快速度±1.2dB;1 - 20GHz嵌入消耗(含藕合瓦數)<1.1dB,20 - 40GHz<1.8dB;1 - 20GHz大全局性>14dB,20 - 40GHz>10dB;1 - 20GHz最好VSWR(不同網絡端口)1.5,20 - 40GHz為1.7;額定負載輸人工作功率平均20W、很高3kW。配發制造業規則2.4mm母頭進行聯接器,封裝類型的規格2.0×0.40×0.65屏幕尺寸,重1.3oz,運行室內溫度-54°至+85°C,是超大帶高能的省心。

金橋銅業跨接線的截面積大小
最少幾率(GHz):1
高頻率(GHz):40
標稱軸承座:13 ±1.0
頻帶寬度靈巧度(dB):±1.20
進到這一領域耗損(dB Max):1-20 GHz,1.1;20-40 GHz,1.80
方位性(dB Min):1-20 GHz,14;20-40 GHz,10
VSWR(高達值):1-20 GHz,1.5;20-40 GHz,1.70
額定工作電壓(W):20
101040013 標準相聯接器(母頭):2.4 mm
101040013K規定連結器(母頭):2.92 mm
河南市立維創展技術授權文件經銷商KRYTAR貨品,那部分機型具有現貨交易。貨品原裝到口進口貨,質量水平維持,誠邀咨詢公司。