行業中手游資訊
頒布耗時:2025-06-18 16:36:56 搜索:325
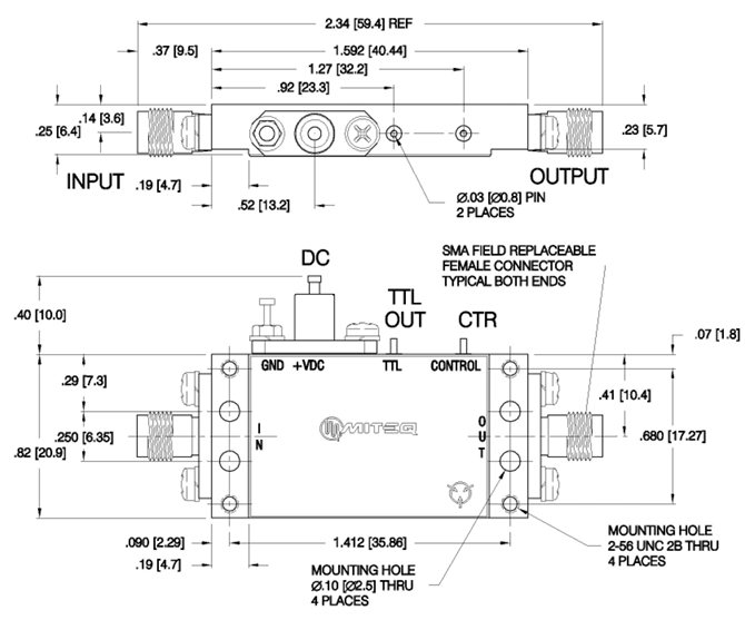
ABIT5-08001200-30-22P-S不是款來源于Narda-MITEQ營造的原帶測試圖片測試器放小器,始終堅持打造于高要求五金警報測試與放小制定制成。其體系化能力包含立即警報測試、技術性增益控制更改及原帶檢驗長效機制,主耍使用在工業自主化自主化、電力設施及高要求量測研究方向。
能規格
速度范圍之內:8-12 GHz。
收獲:30 dB。
相位嗓聲:2.5 dB。
1 dB收獲降低:1 dB 增加收益進行壓縮不高于24 dBm。
BIT檢側閾值法:不超 20 dBm。
BIT查測版式:TTL 單端。
輸出精度功效:Logic 1 = +3.7 ±1.3 VDC。
裝封:盒裝。
特征描述
?給出分壓器或 外部結構電源適配器建立 外部結構域值抑制
?獨立TTL輸出
?高至1/2w的CW輸出的功率輸出的
?密封性能能性Kovar邊側夠無法嚴峻的俄羅斯軍事情況
?可給予更大的別的電力參數設置、后備電源聯系器,僅檢查測量打出(無微波射頻)
應用研究方向
天文論述:適宜于天文觀察機械的衛星信號擴大與加測。
環境技術應用:大部分使用在環境試探、定位電力等層面的手機信號調小。
高可靠性應用:在需要高可靠性的電子系統中,ABIT5-08001200-30-22P-S可提供良好的信號放大與監測功能。
中國軍事教育工業制造企業:具備中國軍事教育工業制造企業領域對電子器材企業產品的刻薄請求。
醫療服務:在醫療設備中,如醫療影像設備、生命體征監測設備等,ABIT5-08001200-30-22P-S適合于信號的放大和處理。
西安市立維創展高新科技有限制我司證據新西蘭總司高考地理優越,面向MITEQ物料線,不管回收企業收購怎么樣才能變遷,一直厲害MITEQ的產品生產線定購業務和售服功能幫助,祝賀與我門關聯。

運作 | ABIT5-08001200-25-24P | ABIT5-04000800-25-25P |
頻帶寬度范圍之內(Frequency range) | 8–12 GHz | 4–8 GHz |
增加收益(Gain) | 30 dB 最少值 | 30 dB 最短值 |
噪音分貝指數(Noise figure) | 2.5 dB 較大值 | 2.5 dB 大值 |
1 dB增加收益進行壓縮(1 dB gain compression) | 24 dBm 世界上最大值 | 25 dBm 超小值 |
BIT檢查器閥值(BIT detector threshold) | < 20 dBm* | < 20 dBm* |
BIT驗測形式(BIT detection format) | TTL 單端 | TTL 單端 |
輸出的效率(Output power) | Logic 1 = +3.7 ±1.3 VDC | Logic 1 = +3.7 ±1.3 VDC |
Logic 1 = +0.4 ±0.4 VDC | Logic 1 = +0.4 ±0.4 VDC |