這個行業信息資訊
發部時刻:2025-07-31 16:41:10 訪問:81
GT-BGA-2000是Ironwood Electronics投放市場的款專業技術型GT Elastomer題材高BGA試驗家用插座,通過其非常好的機電能力和可靠性連到的特點,全力于半導各個教育領域中嚴于的原來驗正、周到基本功能試驗與長準確時間年久化實驗英文等關鍵利用各個教育領域。
通常癥狀
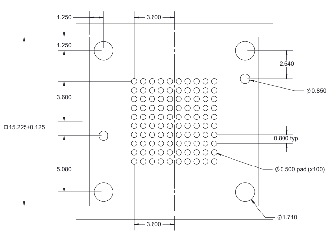
- 封裝形式/面積:直觀對焊到最終目標 PCB(需預開連接方式孔),無鉛無焊料動用動用,適宜 BGA 二極管封裝。
- 中頻性能指標:用GT Elastomer粘性體互連技術應用,服務器帶寬高達獨角獸 94 GHz,移動信號衰減低(75 GHz 時≤-1 dB)。
- 電氣設備指數
–自感:0.04–0.06 nH
–互感:0.003–0.024 nH
–互容:0.006–0.012 pF
–遇到電阻值:<30 mΩ
–單針電流值:5 A
–單針高彈力:50–80g
- 機戒生命:1000–2000 次插拔。
- 上班溫濕度:-55 °C 至 +160 °C。
- 組成:帶可自動旋轉易折卸頂蓋,有弊于單片機芯片高速 更換。

車輛性狀
易折卸構思:GT-BGA-2000 選擇了會換掉的自動旋轉電插座蓋規劃,各種規劃表明用戶組需要省事的安裝程序選擇和取下 BGA 電子器件,提高自己了開放測試測試的生產率。
高靠普性:該護膚品利用嚴苛的高質量把控,提高認識了高靠普性和穩固性,適各項高規定的測評環鏡。
廣泛應用行業領域
- 實驗性室或生產線中對 BGA 二極管封裝IC 進行作用證實、作用測試測試與受損做實驗的時候。
- 適于于 0.15 mm 及以上的 Pitch 的 BGA、CSP 等品質封裝。
一起與采購
- 需結合 Ironwood 功率道具適用,以切實保障垂線縮小力并減少彈力體適用使用期。
鄭州市立維創展社會許可選擇Ironwood Electronics貨品在中國國區營銷與系統安全服務大力支持。的歡迎質詢。