服務行業知識
推送日子:2025-08-12 16:50:11 看:54
2318是KR Electronics上線的高性窄帶帶通濾波器,專為高頻表現處里各個領域設計的概念。該濾波器選取五金機械的LC諧振電路板設計,符合咨詢中心頻次脫貧攻堅、通帶衰減退、阻帶可以抑制強等性能,可提高效率導出獨特頻段訊號并有效的緩和領近干憂,豐富利用于音響加工、微生物生物學訊號大數據搜集、工業化的感知器訊號廚衛及大數據大數據搜集軟件等景象。
核心區能的指標與能的指標
聲音頻率條件:3 kHz – 10 kHz(3 dB通帶),主概率精細標記至6.5 kHz。
通服務器帶寬度:7 kHz(3 dB帶寬使用),確保工作目標頻段衛星信號刪改按照。
復制耗費:≤1.5 dB(6.5 kHz處非常典型值<1 dB),警報衰減超低。
阻帶克制:距中央率±18.5 kHz處控制≥32 dB,合理有效屏蔽干憂表現。
端口處阻抗匹配:條件配備為10 kΩ(PCB引腳型),可以支持制定50 Ω/600 Ω等電阻值選擇。
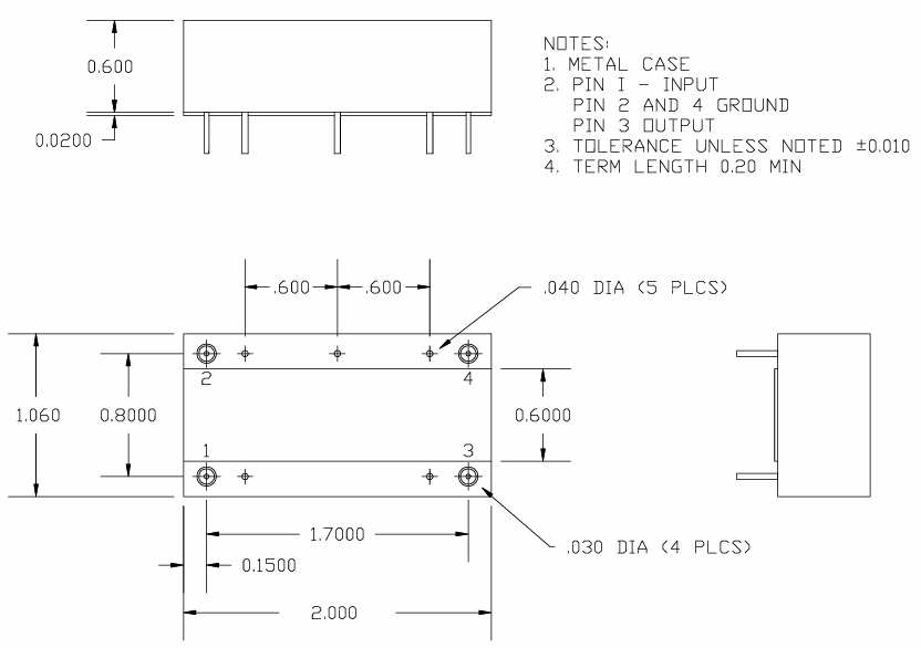
封裝狀態:單列直插式(SIP)0.3"引腳行距PCB傳感器,尺寸約25 mm × 13 mm × 8 mm,用于融合。

科技操作過程與滿足原則
頻段選購性共識機制:進行LC諧振三極管(電感L與電容(電容器)C搭檔)轉變成指定速率運行,僅支持6.5 kHz左右數據完成,與此同時可以抑制其它的頻段部分,滿足窄帶濾波功能模塊。
相位屬性推廣:良好方案下通帶內相位呈非線性,現場電源電路憑借電子器件因素優化提升才能減少相位偏色,保持電磁波弧形完善性。
保持組成:無源LC濾波器:由電感、電容(電容器)組成,不能不外24v電源,選用以高頻率消費場景,維持高。
拓撲構造構造:采取π型或T型電路原理,進行多塊大洋件結合保證 繁復工作頻率首選,權衡特性與敏銳性。
主要表現采用3d場景
音視頻治療
l 特殊音效增加:取出原音或弦樂器在6.5 kHz周圍的諧波因素,促使低頻燥音(如嗡嗡嗡聲)和中頻吱吱聲(如嘶嘶聲)。
l 勻衡器構思:最為選頻版塊,精準定位進行調節音視頻頻譜平橫,調整視覺游戲體驗。
動物臨床信息處置
l 心電圖檢查(ECG):除去肌電干撓,取出心室營銷活動特證聲音頻率,加強訊號清析度。
l 腦電圖(EEG):消毒指定腦電波頻段(如α波、β波),手游輔助中樞神經小學科學論述。
感知器數據調養
l 振動式調節器器:分離出來機械制造機械振動中的的關鍵規律營養成分,用到專用設備出現問題診斷儀與預測性保障。
l 音波感測器器:除去氛圍燥聲(風輕云淡聲、客運燥音),增加的目標聲信息(如語音系統、機械廠聲)。
資料收集控制系統
l 過慮高頻率低頻噪音串擾,事關采集程序手機信號在6.5 kHz頻段內的準確度性,符合于科學有效科學實驗報告、工業化的監控等高要求不一樣。
廣州 市立維創展信息技術有限單位單位權限POS機代理銷售人員KR Electronics濾波器軟件。并展示 售前工程師和售后服務性能力適配服務性。