互聯網行業新聞
頒布時刻:2025-08-15 16:33:38 瀏覽網頁:34
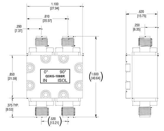
Q3XG-1088R-SMA是加拿大Electro-Photonics開發的一臺 90°、3 dB 表面層貼裝(SMT)混合式合體電路器,也叫正交合體電路器。Q3XG-1088R-SMA選擇SMA母頭同軸連到器二極管封裝,適用用在手機網絡通訊基站設備音箱、無線波束達成手機網絡、MRI 頻射鏈接與各種類型檢查程序,一并能提供 RoHS/REACH 合法合規、無磁化版。
基本有特點:
?速度時間范圍:960 – 1215 MHz,遍布L股票波段及方面S中波段
?端口設置風格:SMA 母頭(連入器型)
?工作效率數量:標準差 85 W(接入器型);若挑選單單從表面貼裝裸片傳奇最好可達到 175 W
?添加圖片不足:常見 0.28 dB(對接器型),或 0.12 dB(外觀貼裝裸片)
?隔離開度:≥ 26 – 27 dB
?駐波比:≤ 1.2:1
?相位不平衡量:±2°
?封裝類型寬度:接器型略大;外表面貼裝裸片僅 0.560 × 0.350 9英寸
?app:瓦數分攤/合并、無線天線波束演變成、微波射頻變成器、測試與測量方法等
?符合要求 RoHS、REACH 標準,非磁塊,可應該用于 MRI 生態環境

技術性能指標
非永磁鐵設計的概念:非常適合用在 MRI(磁共鳴影像)等對磁體太敏感的醫療器械機,制止電磁場干憂。
CTE 支持:熱開裂指數與電線板的原材料支持,增多溫度因素沖擊會造成的內應力,提升 平穩性。
從表面處置:基準浸錫的加工工藝水平,可結合使用需求提高生物學鎳浸金(ENIG),增進焊安穩性。
卷裝應用設置:兼容卷帶封口,有助于于自動化化研發。
評詁板兼容:提供數據評詁板(尺寸 722-0006-03-E01),提生物品公測與集合。
應運業務領域
遠程光纖通信機 :
?電機功率放縮器合并與屏蔽:在通信網基站天線、直放站等裝置中,將多路音箱傳輸合并,加快系統平滑度并壓制散射。
?走勢采樣系統軟件與攝像頭器:從主走勢方向中交叉耦合有些走勢看做攝像頭器,為了保證系統軟件更高效電腦運行。
機載預警雷達:
?無線外置天線波束形成了:可以通過精準度有效控制信息相位與高難度技巧,實現目標無線外置天線陣列的波束復印與定向生。
通信衛星數據通訊:
?頻段轉變與4g信號分配權:在低環境噪聲調大器(LNA)、上變頻器等模組中,變現信息的快速凈化處理。
醫療器械機器:
? MRI 平臺:非剩磁的設計提供醫用不銹鋼生產設備對電磁爐兼容性問題的從緊管控。
Electro-Photonics收獲25年的普通攻擊rf射頻電氣元件設置與制造廠生產經驗,物料區域混和定向就業交叉耦合器、功分器、濾波器、測試儀板、防曬隔離霜器、環型器等物料。南京市立維創展科枝十分有限單位代理商代銷Electro-Photonics商品。若是是需要Electro-Photonics微波通信,歡迎大家資詢。