Ka光波安裝驅動變小器HMC-AUH256/HMC-AUH256-SX ADI現貨交易代銷商
發布的期限:2018-12-03 11:18:50 查看:2134
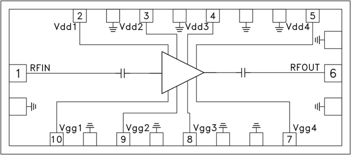
HMC-AUH256就是一款Ka光波GaAs MMIC HEMT四個維度驅動程序變小器,上班聲音頻率區域17.5至41 GHz。 主要是因為規格尺寸較小(1.93 mm2),該整合ic可方便整合到多整合ic版塊(MCM)中。 HMC-AUH256在1 dB減小點展示 21 dB的增益值和+20 dBm的輸入輸出電機功率,施用+5V的偏置電源適配器(295 mA)。 HMC-AUH256還可作作倍頻器。 保持倍頻器上班的簡要偏置生活條件。
|
品牌
|
型號
|
貨期
|
庫存
|
|
ADI
|
HMC-AUH256
HMC-AUH256-SX
|
1周
|
200
|
|
如若您需要購買HMC-AUH256/HMC-AUH256-SX,請點擊右側客服聯系我們!!!
|
應用領域
優勢和特點
-
增益: 21 dB
-
P1dB輸出功率: +20 dBm
-
寬帶性能:
17.5至41 GHz
-
電源電壓:
+5V (295 mA)
-
小尺寸芯片:
2.1 x 0.92 x 0.1 mm
設計圖
