HMC7441/HMC7441-SX兩級GaAs pHEMT電機功率變小器 ADI期貨加盟代理商商
發布公告時長:2018-06-21 15:39:47 手機瀏覽:2801
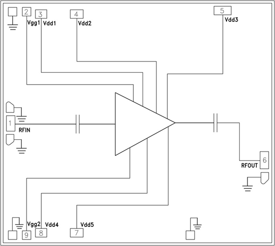
HMC7441不是款三階段GaAs pHEMT效率增加器,運作頻次比率為27.5至31 GHz。 該增加器的增益值為23 dB,飽和狀態狀態輸送效率為+34 dBm,PAE為25%,電電流為6V。 HMC7441給出+38 dBm的經驗豐富輸送IP3的性能,更加適當直線采用了,表示動作的詞Ka頻段VSAT、高發熱量點到點或點對多方無線數字電——類似于采用了讓包括+34 dBm的高效率的飽和狀態狀態輸送效率。 RF I/O隔直并相配至50 Ω,需要更方便融合到多集成塊傳感器(MCM)中。 幾乎所有統計資料均采用了50 Ω測試儀沖壓模具設計中的集成塊精確測量,該沖壓模具設計經過一種網套直徑為0.025mm (1 mil)、總長為0.31 mm (12 mil)的焊線連結。
|
品牌
|
型號
|
描述
|
貨期
|
庫存
|
|
ADI
|
HMC7441
HMC7441-SX
|
GaAs pHEMT MMIC 2 W功率放大器,27.5 - 31 GHz
|
現貨
|
36
|
應運
-
點對點無線電
-
點對多點無線電
-
VSAT和SATCOM
-
軍事和太空
的優勢和特性
-
飽和輸出功率:
++34 dBm (25% PAE)
-
高輸出IP3: +38 dBm
-
高增益: 23 dB
-
直流電源: +6V (1,000 mA)
-
無需外部匹配
-
芯片尺寸: 3.18 x 2.84 x 0.1 mm
形式圖
