HMC7357LP5GE/HMC7357LP5GETR中級電功率變大器頻率5.5至8.5 GHz ADI現貨交易
公布用時:2018-06-22 16:06:19 手機瀏覽:2624
HMC7357都是款兩級GaAs pHEMT MMIC高的英語電率變大器,工做工作頻率位置為5.5至8.5 GHz。 該變大器的增益控制為29 dB,過是處于飽和狀態輸送電率為+35 dBm,PAE為34%,交流電源端電壓為+8V。 HMC7357提拱+41.5 dBm的優異輸送IP3穩定性,很適于平滑軟件app,例如高發熱量一對一和點對單點wifi手機電或VSAT/SATCOM軟件app——這一類軟件app規定兼有+35 dBm的便捷過是處于飽和狀態輸送電率。 RF I/O外部一致至50 Ω,利用便。 HMC7357所采用無鉛5x5 mm塑表貼封裝形式,與表貼制造廠方法兼容。
|
品牌
|
型號
|
描述
|
貨期
|
庫存
|
|
ADI
|
HMC7357
|
GaAs pHEMT MMIC 2 W功率放大器,5.5 - 8.5 GHz
|
現貨
|
120
|
HMC7357LP5GE使用
-
點對點無線電
-
點對多點無線電
-
VSAT和SATCOM
HMC7357LP5GE優勢和特點
-
Pout:+35 dBm (34% PAE)
-
高P1dB輸出:+34 dBm
-
高輸出IP3: +41.5 dBm
-
高增益: 29 dB
-
50 Ω匹配輸入/輸出
-
電源電壓: Vdd = 8V (1200 mA)
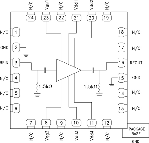
HMC7357LP5GE結構圖
