相關行業最新資訊
發布了時候:2018-06-25 14:52:49 手機瀏覽:2022
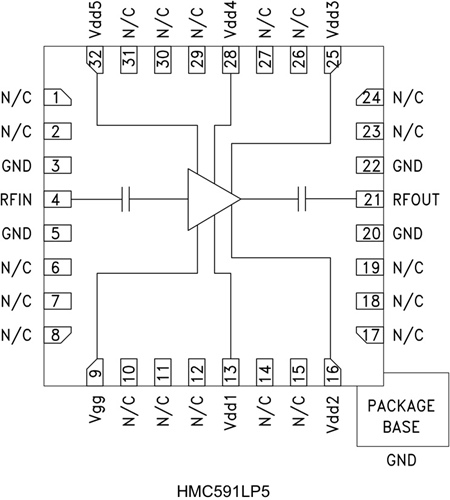
HMC591LP5(E)是款高靜態位置GaAs PHEMT MMIC 2 W電率增加器,工作的概率位置為6至9.5 GHz。 該增加器供給18 dB增益控制,飽和電率為+33 dBm,供電端電壓為+7V (19% PAE)。 此增加器相匹配50 Ω,不用再什么外邊器件,RF I/O經歷隔直,以供給維持的的性能。 就需用最合適的OIP3的APP,Idd應如何設立為940 mA以會發生+41 dBm OIP3。 就需用最合適的所在P1dB的APP,Idd應如何設立為1,340 mA以會發生+33 dBm所在P1dB。
品牌
型號
描述
貨期
庫存
ADI
HMC591LP5,HMC591LP5E
HMC591LP5ETR,HMC591LP5TR
2 W功率放大器,采用SMT封裝,6.0 - 9.5 GHz
現貨
158
HMC591LP5優勢和特點
+33 dBm (20% PAE)
