的行業快訊
上線周期:2019-02-20 16:00:57 瀏覽訪問:1719
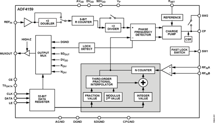
ADF4159WCCPZ由低噪聲數字鑒頻鑒相器(PFD)、精密電荷泵和可編程參考分頻器組成。 該器件內置一個Σ-Δ型小數插值器,能夠實現可編程小數N分頻。 INT和FRAC寄存器可構成一個總N分頻器(N = INT + (FRAC/225))。
ADF4159WCCPZ需用于構建頻移鍵控(FSK)和相移鍵控(PSK)幅度調制。 還是有部分需用的概率閱讀摸式,可在頻域內生產各種類型弧形,諸如鋸齒形波和角形波。 閱讀可設備為會自動來進行,也可設備為實現其他單脈沖全自動開啟各個步聚。 ADF4159WCCPZ體現了周跳可以減少電源線路,可進1步縮小解鎖耗時,而不用改造環路濾波器。 其他片內寄存器均利用簡單的的四線式外接電源線接口來掌握。 ADF4159進行2.7 V至3.45 V摸擬外接電源線和1.62 V至1.98 V號碼外接電源線輸電,不必時可不可以關斷。
| 品牌 | 型號 | 貨期 | 庫存 |
| ADI | ADF4159WCCPZ | 1周 | 100 |
使用
優勢和特點
示意圖
