互聯網行業最新資訊
發布了事件:2019-02-25 11:12:58 瀏覽記錄:2176
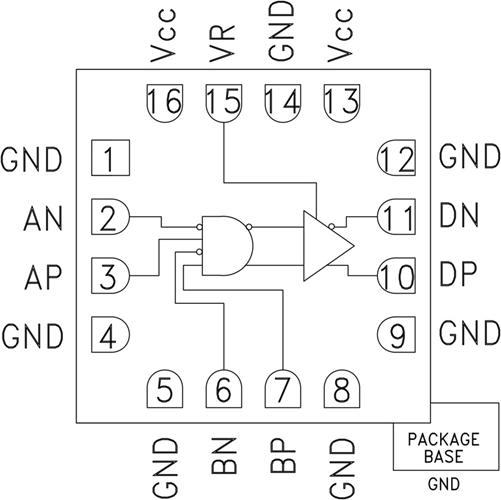
HMC746是一個種AND / NAND / OR / NOR功效,亟需支持軟件自由可高達13 Gbps的數值傳導傳輸率和自由可高達13 GHz的石英鐘頻率。HMC746能能很可能地配資為保證以上其它邏輯推理特點:AND,NAND,OR和NOR。HMC746還兼具打出電平設定引腳VR,可變現材料耗費賠償標準或警報電平提升。
HMC746的每個輸入輸出和輸入輸出表現均以50歐姆至V cc片內端接,能夠 是交流電或整流耦合電路。輸人和工作輸出能夠可以連接方式到50歐姆至V cc端接裝置,而倘若端接裝置跨接50歐姆,則可能施用隔直電容器。HMC746用+ 3.3V單電壓電力,用包含RoHS規范的工業陶瓷3x3 mm SMT封裝形式。
假如您需要消費HMC746LC3C,請打開左邊售后取得聯系人們!!!
品牌
型號
貨期
庫存
ADI
HMC746LC3C
1周
90
軟件
優勢和特征
22/21 ps
輸出交流電壓擺幅:600 - 1100 mV
SMT封裝類型:9mm2
示意圖
