HMC461LP3E雙渠道MMIC增加器 1w高IP3增加器 ADI現貨平臺
上傳時:2018-06-26 11:49:49 挑選:1953
HMC461LP3(E)有的是款1.7 - 2.2 GHz高導出IP3 GaAs InGaP異質結雙化學性質尖晶石管(HBT)雙通路MMIC變小器。 它在單一融合電源模塊線路板中,保證2個HMC455LP3高IP3帶動器的線性網絡安全性能,可在動平衡性或推挽變小器電源模塊線路板中硬件配置單。 該變小器保證12 dB的收獲和+30.5 dBm的達到飽和狀態輸出功率(當PAE為48%時),安全使用+5 Vdc單電源模塊,同時安全使用動平衡性硬件配置單的靜態巴倫。
伴隨含有+45 dBm的高轉換IP3,再緊密結合1.2:1的低VSWR,為此HMC461LP3(E)為最合適PCS/3G無線網依據配套設施的好動力變小器。 雙MMIC變小器集成式電路板采取成本控制預算的無引腳3x3 mm QFN表面上貼裝封口(LP3)。 LP3提高露出基極以實現了非常出色的RF和熱管散熱性能指標。
|
品牌
|
型號
|
描述
|
貨期
|
庫存
|
|
ADI
|
HMC461LP3
|
1瓦特高IP3放大器,采用SMT封裝,1.7 - 2.2 GHz
|
現貨
|
278
|
HMC461LP3應用
-
多載波系統
-
GSM、GPRS和EDGE
-
CDMA和W-CDMA
-
PHS
-
可配置平衡或推挽
HMC461LP3優勢和特點
-
+45 dBm輸出IP3(平衡配置)
-
增益:12 dB
-
PAE為48%(Pout為+30.5 dBm時)
-
+20 dBm的W-CDMA通道功率(ACP為-45 dBc時)
-
3x3 mm QFN SMT封裝
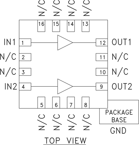
HMC461LP3結構圖
