HMC455LP3ETR/HMC455LP3E高模擬輸出變大器 ADI現貨黃金代商
發布了時間:2018-06-26 11:56:52 手機瀏覽:2386
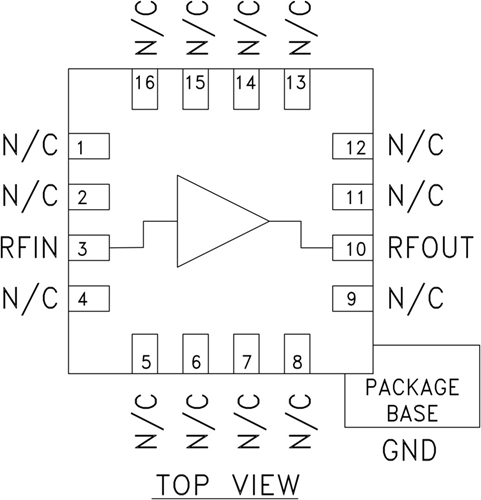
HMC455LP3(E)就是一款高輸入輸出的的IP3 GaAs InGaP異質結雙旋光性氯化鈉晶體管(HBT)、1?2瓦特MMIC縮放器,在1.7至2.5 GHz的頻帶寬度下運轉。 該縮放器僅用到較小數目的外界部件,提拱13 dB的增益值,在PAE為56%時提拱+28 dBm的趨于穩定輸入輸出,用到單獨的+5 Vdc直流電壓交流電源。 根據具+42 dBm的高輸入輸出的IP3,再綜合1.4:1的低VSWR,從而HMC455LP3(E)稱為非常適合PCS/3G移動基礎性措施的完美驅使縮放器。 是一款曲線縮放器使用成本控制費用的無引腳3x3 mm QFN面上貼裝裝封(LP3)。 LP3提拱外露基極以達到優秀的RF和導熱性能方面。
|
品牌
|
型號
|
描述
|
貨期
|
庫存
|
|
ADI
|
HMC455LP3ETR
HMC455LP3E
|
?瓦特高IP3放大器,采用SMT封裝,1.7 - 2.5 GHz
|
現貨
|
269
|
HMC455LP3應用
-
多載波系統
-
GSM、GPRS和EDGE
-
CDMA和WCDMA
HMC455LP3優勢和特點
-
輸出IP3: +42 dBm
-
增益: 13 dB
-
PAE為56%(Pout為+28 dBm時)
-
+19 dBm的W-CDMA通道功率(ACP為-45 dBc時)
-
3x3 mm QFN SMT封裝
HMC455LP3結構圖
