HMC-APH633/HMC-APH633-SX/HMC-APH633-WP中檔公率放小器 ADI現貨交易
上架時期:2018-06-26 15:26:00 網頁瀏覽:6993
HMC-APH633都是款兩極GaAs HEMT MMIC中檔效率放縮器,辦公頻繁 超范圍為71至76 GHz。 HMC-APH633給出13 dB增加收益,采用了+4V主機電源電壓電流時有著+20 dBm的輸出效率(1 dB壓縮的)。 其他焊盤和集成ic背影都通過Ti/Au重金屬化,放縮器已基本鈍化以改變信得過運作。
HMC-APH633 GaAs HEMT MMIC中上耗油率放縮器兼容傳統文化的IC處理芯片貼裝手段,和熱壓縮成和熱超音波線焊接工藝藝,越來越適用于MCM和混合法微電路系統應用領域。 這兒展現的很多數據源均是IC處理芯片在50 Ω場景下使用的RF攝像頭沾染精確測量。
|
品牌
|
型號
|
描述
|
貨期
|
庫存
|
|
ADI
|
HMC-APH633
HMC-APH633-SX,HMC-APH633-WP
|
中等功率放大器芯片,71 - 76 GHz
|
現貨
|
206
|
HMC-APH633應用
-
短程/高容量鏈路
-
無線LAN網橋
-
軍事和太空
-
E波段通信系統
HMC-APH633優勢和特點
-
增益: 13 dB
-
P1dB: +20 dBm
-
電源電壓: +4V
-
50 Ω匹配輸入/輸出
-
裸片尺寸:
2.47 x 1.60 x 0.05 mm
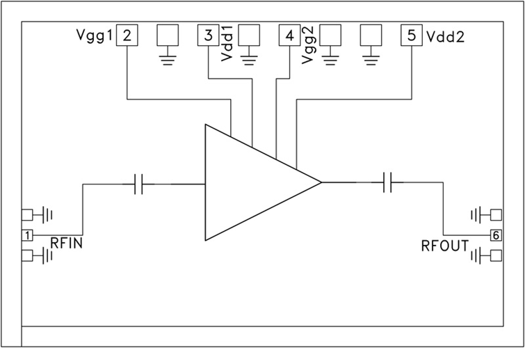
HMC-APH633結構圖
