HMC-APH634二級GaAs HEMT MMIC中等水平電率調小器 ADI現貨黃金
披露事件:2018-06-26 15:32:54 搜索:7012
HMC-APH634就是款多級GaAs HEMT MMIC中上效率調小器,工做頻段區間為81至86 GHz。 HMC-APH634帶來了12 dB增益值,主要包括+4V電源開關時體現了+20 dBm輸入效率(1 dB解解壓縮)。 各種焊盤和集成ic背部都過程Ti/Au金屬件化。 HMC-APH634 GaAs HEMT MMIC中上效率調小器兼容以往的集成ic貼裝方式方法,甚至熱解解壓縮和熱超聲波線電工藝,越來越符合MCM和混合法微集成運放軟件應用。 在這兒呈現的各種數據統計均是集成ic在50 Ω學習環境下操作RF探測器觸及測是。
|
品牌
|
型號
|
描述
|
貨期
|
庫存
|
|
ADI
|
HMC-APH634
|
中等功率放大器芯片,81 - 86 GHz
|
現貨
|
198
|
軟件應用
HMC-APH634優勢和特點
-
高增益: 12 dB
-
高P1dB: +19 dBm
-
電源電壓: +4V
-
50 Ω匹配輸入/輸出
-
裸片尺寸:
2.57 x 1.70 x 0.05 mm
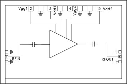
HMC-APH634結構圖
