HMC-AUH318/HMC-AUH318-SX高動向超范圍的兩級中檔輸出拖動器 ADI期貨
上架耗時:2018-06-26 16:01:41 訪問 :7588
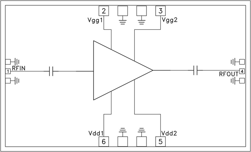
HMC-AUH318就是款高動態的依據的三階段GaAs HEMT MMIC高的英語額定工作耗油率擴大器,在71至76 GHz的聲音頻率下工作上。 HMCAUH318打造24 dB的增益控制,在1 dB收縮點打造+17.5 dBm的內容輸出額定工作耗油率,用于+4V電源適配器電流。 一切焊盤和處理單片機集成塊側面都經歷Ti/Au塑料化。 HMC-AUH318 GaAs HEMT MMIC高的英語額定工作耗油率擴大器可兼容常規化的處理單片機集成塊貼裝做法,以其熱收縮和熱多普勒彩超線焊,越來越適MCM和混合型微電線操作。 彼處屏幕上顯示的一切數值均是處理單片機集成塊在50 Ohm學習環境下采用RF攝像頭打交道測是。
|
品牌
|
型號
|
描述
|
貨期
|
庫存
|
|
ADI
|
HMC-AUH318
HMC-AUH318-SX
|
中等功率放大器芯片,71 - 76 GHz
|
現貨
|
267
|
HMC-AUH318應用
HMC-AUH318優勢和特點
-
增益: 24 dB
-
P1dB: +17.5 dBm
-
電源電壓: +4V
-
50 Ω匹配輸入/輸出
-
裸片尺寸:
2.65 x 1.60 x 0.05 mm
HMC-AUH318結構圖
