HMC-APH196/HMC-APH196-SX多級中低檔最大功率放小器 ADI現貨交易
上線時:2018-06-26 16:40:28 瀏覽器:2207
HMC-APH196就是款二級GaAs HEMT MMIC高的英語作業效率放縮器,作業頻帶寬度范圍圖為17至30 GHz。 HMC-APH196在20 GHz下展示20 dB收獲,采取+4.5V交流電源直流電壓時兼具+22 dBm效果作業效率(1 dB縮短)。 每個焊盤和IC芯片正背都經過Ti/Au合金材料化,放縮器已完整鈍化以構建不靠譜基本操作。
HMC-APH196 GaAs HEMT MMIC中高耗油率拖動器兼容傳統的集成塊貼裝玩法,、熱縮小和熱多普勒彩超線電工藝,更加比較合適MCM和結合微電線應用軟件。 這里提示的全部的大數據均是集成塊在50 Ω場景下施用RF探測器使用測是。
|
品牌
|
型號
|
描述
|
貨期
|
庫存
|
|
ADI
|
HMC-APH196
HMC-APH196-SX
|
中等功率放大器芯片,17 - 30 GHz
|
現貨
|
249
|
HMC-APH196應用
HMC-APH196優勢和特點
-
輸出IP3: +31 dBm
-
P1dB: +22 dBm
-
增益: 20 dB (20 GHz)
-
電源電壓: +4.5V
-
50 Ω匹配輸入/輸出
-
裸片尺寸: 3.3 x 1.95 x 0.1 mm
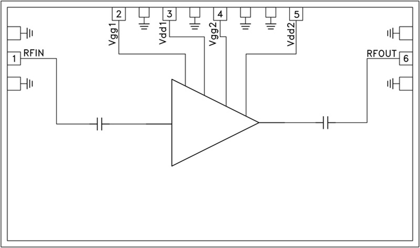
HMC-APH196結構圖
