HMC635LC4/HMC635LC4TR驅動包變大器裸片 ADI現貨平臺
推出期限:2018-06-27 16:57:25 網頁瀏覽:1925
HMC635LC4也是款GaAs PHEMT MMIC驅動軟件包調小器裸片,任務幀率規模為18至40 GHz。 該調小器提高18.5 dB的收獲控制、+27 dBm轉換IP3及+22 dBm的轉換做工作效率(1 dB收獲控制擠壓時),做工作的頻率為280 mA(+5V電源適配器)。 HMC635LC4無比適當做微波通信無限電廣泛應用的驅動軟件包調小器,或可作任務幀率規模為18至40 GHz的混頻器LO調小器,可提高高至+23.5 dBm的飽和狀態轉換做工作效率(15% PAE)。 隔直調小器I/O實物切換50 Ω,無比適當結合到多集成電路芯片電源模塊(MCM)中。
[1]增益值、功效和燥音標準值估測沒想到逐漸減免板損失。
|
品牌
|
型號
|
描述
|
貨期
|
庫存
|
|
ADI
|
HMC635LC4
HMC635LC4TR
|
GaAs PHEMT MMIC驅動放大器,18 - 40 GHz
|
現貨
|
237
|
HMC635LC4應用
-
點對點無線電
-
點對多點無線電和VSAT
-
軍事和太空
HMC635LC4優勢和特點
-
增益: 18.5 dB [1]
-
P1dB: +22 dBm [1]
-
輸出IP3: +27 dBm
-
飽和功率:
+23.5 dBm (15% PAE [1])
-
電源電壓: +5V @
280 mA
-
50 Ω匹配輸入/輸出
-
24引腳4x4mm
SMT陶瓷封裝: 16mm2
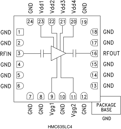
HMC635LC4結構圖
