HMC-APH403/HMC-APH403-SX3級MMIC中級瓦數變成器 ADI外盤
上架的時間:2018-06-27 17:15:29 查詢:7031
HMC-APH403是款三級視頻GaAs HEMT MMIC一般最大最大功率擴大器,本職工作概率標準為37至45 GHz。 HMC-APH403打造21 dB增益值,選用+5V電源適配器額定電壓時有著+23 dBm導出最大最大功率(1 dB壓縮視頻)。 其他焊盤和存儲芯片側面都過程Ti/Au五金化,擴大器已壓根鈍化以滿足靠普運作。
HMC-APH403 GaAs HEMT MMIC中低熱效率調大器兼容過去的的單片機處理芯片貼裝具體方法,已經熱縮減和熱超音波線焊接藝,尤其很適合MCM和混后微電路設計軟件應用。 在此顯現的擁有動態數據均是單片機處理芯片在50 Ω室內環境下應用RF感應器接觸性測定。
|
品牌
|
型號
|
描述
|
貨期
|
庫存
|
|
ADI
|
HMC-APH403
HMC-APH403-SX
|
中等功率放大器芯片,37 - 45 GHz
|
現貨
|
226
|
操作
HMC-APH403優勢和特點
-
輸出IP3: +32 dBm
-
P1dB: +23 dBm
-
增益: 21 dB
-
電源電壓: +5V
-
50 Ω匹配輸入/輸出
-
裸片尺寸: 2.76 x 1.03 x 0.1 mm
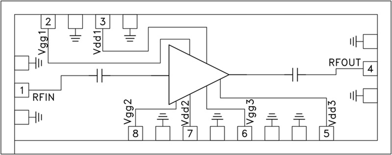
HMC-APH403結構圖
