欧洲一区二区-欧美激情一区二区-国产激情在线-欧美在线一区二区

AM002535MM-EM-Rrf射頻微波射頻耗油率調大器處理器 原裝進口存儲

發布消息時:2019-11-07 14:38:47     查看:2448

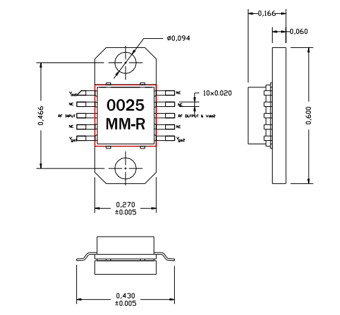
AM002535MM-EM-R是AMCOM機構的砷化鎵MMIC工率調小器,該MMIC微波射頻射頻微波射頻熱效率拖動器處理芯片設備其中包含GaAs功率放大器與功率放大器芯片等,并針對VSAT和TU應用產品,具有電路損耗小,噪聲低、頻帶寬、動態范圍大、功率大、附加效率高、抗電磁輻射能力強等特點

AM002535MM-EM-R頻射微波加熱工作功率縮放器電源芯片高增加收益24dB34聲音頻率效果瓦數在0.03到2.5 GHz光波該MMIC是一個個衛浴陶瓷封裝,存在微波射頻和直流變壓器引線在封裝的最框架,簡單方便低制造費的SMT安裝到PC板上。MS包具備著與FM封口一模一樣的征地賠償平數,通過直高壓導線和銅/鎢法蘭片代用銅輪緣。這位MMIC是符合要求RoHS的。

AM002535MM-EM-R射頻微波功率放大器芯片 原裝庫存 

AM002535MM-EM-R徽波射頻徽波公率圖像功率放大器基帶芯片廣泛應用軟件應用軟件于一些發達的徽波中轉,防守火箭彈、電子無線戰、通信系統系統、陸海空基的一些發達的相控陣汽車聲納(特別是機載和星載汽車聲納),應用軟件業務領域涉及到平臺wlan電、儀盤表設備、增益控制塊等

AM002535MM-EM-R更重要性能

速度:0.03-2.5GHz

收獲:24

P1dB(DBM):34

PSAT(DBM):35

利用率:25

VD(V):20

佛山市立維創展高新科技是AMCOM工司總代銷商,其首要微波加熱網絡帶寬車輛包含頻射尖晶石管、MMIC最大效率縮放器、混合物縮放器功能、寬帶網絡縮放器、高最大效率縮放器功能、帶RF和DC進行聯接器的高效率調小器模塊圖片和低嗓聲調小器,效率調小器,打開,衰減器,移相器各種上/底下調頻器的定做。

介紹新聞咨詢
  • 關于THUNDERLINE-Z產品申明
    關于THUNDERLINE-Z產品申明 2020-10-14 15:54:05 東莞市立維創展科技開發有限制的集團公司,是澳大利亞THUNDERLINE-Z & Fusite加盟品牌在中國大陸地區國家的商標授權渠道管理商,其彩石窗戶玻璃密封隔絕接線鼻子,已很廣應該用于航天科技、軍事科學、網絡通訊等高可信性范疇。
  • ?RT06128SNHEC03圓形連接器現貨庫存
    ?RT06128SNHEC03圓形連接器現貨庫存 2025-08-21 16:44:03 RT06128SNHEC03 是 Amphenol 停售的長方形銜接器,擁有高強度的安全靠普的設計的概念網絡架構與良好安全性能,生態反抗作用強,能自融入車輛電子、工業控制自功化等對生態融入性規定嚴格的職業。