行業中房產資訊
發布消息時長:2019-11-12 11:47:19 瀏覽記錄:2072
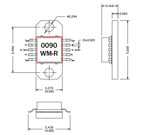
AM009023WM-EM-R瓦數調小器是AMCOM司的加寬帶砷化鎵MMIC,該放縮器極具2一分貝的高增益值,從50MHz到9GHz頻段的23dBm輸出的工率,噪聲系數為4.5分貝至4赫茲,有時候與50歐姆匹配的輸入/輸出

AM009023WM-EM-R功效擴大器的打包封裝底下包含微波射頻和直流變壓器引線,有助將高產出費用SMT裝配到PC上。AM009023WM-EM-R兼有直引線和銅/鎢法蘭片部用于銅法蘭片部,法蘭部上面兩位螺孔,這樣可以擰上復合熱量散發器。符合國家RoHS,應用范圍分離是圖片軟件無線網電、儀器、收獲塊、低噪音風機源用途等
AM009023WM-EM-R很重要技術指標
頻次:0.05-9GHz
增益值:21
P1dB(DBM):21
PSAT(DBM):23
吸收率:20
VD(V):12
廣州市立維創展創新科技是AMCOM總部總代辦,其重要微波通信帶寬服務包涵頻射晶狀體管、MMIC電機效率調小器、比調調小器模組電源、聯通寬帶調小器、高電機效率調小器模組電源、帶RF和DC聯接器的高電機額定功率變成器組件和低噪音污染變成器,電機額定功率變成器,轉換開關,衰減器,移相器及其上/接下來變頻式器的定做。