互聯網行業最新資訊
分享時段:2019-11-14 10:56:28 看:3364
HMC8410-DIE低噪音源變小器是ADI裝修公司的哪款砷化鎵、單單片機芯片MMIC和假晶高智能遷址率單晶體管的拖動器,該調大器實物連接50 Ω,上班聲音頻率區域為0.01 GHz至10 GHz,提高19.5 dB類型增益控制、1.1 dB主要表現燥聲常數和33 dBm明顯效果IP3
HMC8410-DIE低燥音圖像功率放大器的app區域為圖片軟件理解wifi電、電子元器件戰和雷達探測應該用,市場價格為$32.85
核心性能參數
頻繁:0.01 GHz至10 GHz
低躁音彈性系數:1.1 dB
高增加收益:19.5 dB
高內容輸出三階交調截點(IP3):33 dBm

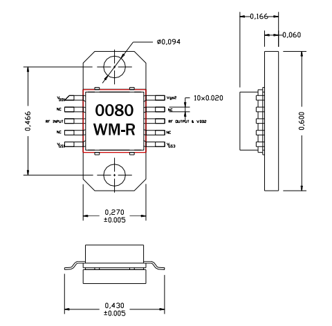
AM008030WM-EM-R調大器是AMCOM品牌的一類超高帶砷化鎵MMIC,該放小器輸進/內容輸出適應50歐姆,擁有18音貝的高增加收益,且>0.05GHz至10GHz頻段28dBm工作輸出工作電壓。AM008030WM-EM-R的采用鄰域為游戲wifi手機電、設備和增加收益塊
很重要規格
速度:0.05-10GHz
增益值:18
P1dB(DBM):30
PSAT(DBM):31
率:20
VD(V):12
與HMC8410-DIE相比較,AM008030WM-EM-R增加器雖不ADI司的車輛頂級更高,但也是國際英文大公司,如果運作、使用也絕不遜與HMC8410-DIE,AM008030WM-EM-R放縮器多少錢價格實惠、性能卓越指標同時還壽命長,迎接在線咨詢立維創展。