的行業咨詢
發布新聞時光:2019-11-19 16:16:38 看:2116
ADI品牌的HMC系列功率放大器是國內外使用最多的一系列產品放大器,該放大器的適用頻率及應用范圍廣泛,一般都屬于高頻率放大器,但是頻率0.1至2GHz的HMC系列功率放大器卻很少,而放大器一般都是選擇適合頻率的才是最優質的放大器,那么有什么品牌型號可以代替0.1至2GHz寬帶放大器呢?

AMCOM企業是加拿大知名度高口碑好公司,在歐美其他國家沿海地區聲譽大受建筑項目師熱情接待,并且比較ADI加盟品牌就不堪的意思美中不足,AMCOM裝修公司已前沿微波射頻構思服務理念,為環球的客戶供應工作功率多晶體管、MMIC縮放器等處理器與模塊圖片廠品。現在天就來推薦小巧玲瓏頻次C股票波段低噪音寬帶網工率增加器
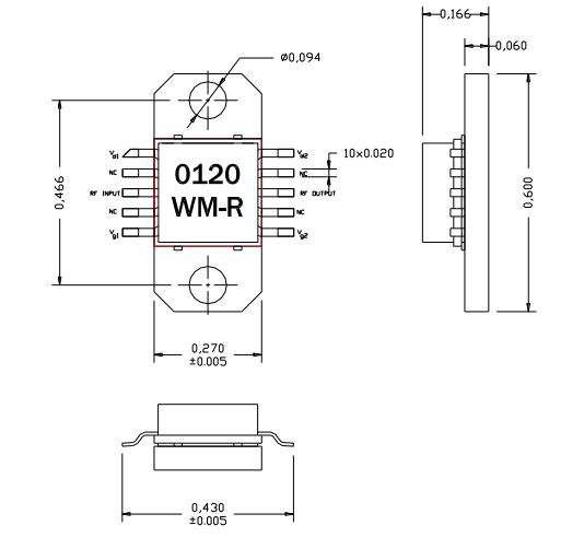
AM012020WM-EM-R是AMCOM茶葉品牌的低噪音光纖寬帶輸出變大器,該縮放器體現了20dBm的飽和狀態輸入工作功率和30dB的高增加收益,低的噪音功能具備有完整匹配好的50歐姆輸人/打出阻抗匹配,該MMIC類屬瓷磚封裝形式,RF直流變壓器引線為于打包封裝的較低層,有利將高收益價的SMT制造到PC板上
AM012020WM-EM-R低低頻噪音網絡帶寬輸出功率放縮器可應運于儀盤表、人體細胞帶、交叉手機無線電、帶寬推送器和C股票波段VSAT
AM012020WM-EM-R首要性能指標
頻帶寬度:0.1-2GHz
增益控制:30
P1dB(DBM):16
PSAT(DBM):17
生產率:8
VD(V):8
河南市立維創展科技欧洲一区二区-欧美激情一区二区-国产激情在线-欧美在线一区二区是AMCOM集團總代銷商,核心展示微波加熱帶寬貨品也包括微波射頻硫化鋅管、MMIC最大馬力調大器、混合型調大器包塊、寬帶網調大器、高最大馬力調大器包塊、帶RF和DC連入器的高電機輸出功率增加器信息模塊和低環境噪聲增加器,電機輸出功率增加器,按鈕,衰減器,移相器及及上/底下伺服驅動器器的環保定制家具。