領域內容
發布新聞時長:2019-11-21 15:01:18 訪問:2245
HMC754輸出調小器是ADI類產品的雙車道收獲功能模塊MMIC SMT變小器,該變小器的工作任務聲音頻率為DC~1GHz,享用14.5高增加收益并所用8引腳泡沫塑料SOIC-8單封裝類型, 該高線形度放小器選則單正電源開關供水時能耗僅為160mA。APP的領域為CATV /寬帶網絡基礎知識安全設施、測試儀和測定的裝置、路線圖調小器和網絡光纖端點和消費者端的裝置等
HMC754關鍵性參數表:
工作頻率:DC~1GHz
增加收益:14.5
OIP3:38
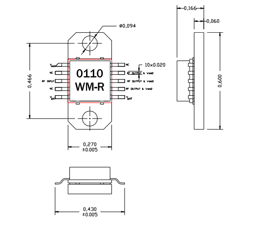
AM011037WM-EM-R是AMCOM產品的砷化鎵pHEMT MMIC電功率放縮器,該放縮器是款優質率MMIC的2級GaAs-pHEMT熱效率拖動器,偏置電壓電流為+8V,事情規律為0.2~1GHz,更具高增益控制31dB和37dBm的高輸出電壓工作電壓,該MMIC是衛浴陶瓷的在較低的封裝類型形式層一同用rf射頻和直流變壓器電壓引線的封裝類型形式,因直流變壓器電壓電高耗電,小編建議將此機會安裝使用在金屬質水冷片上。AM011037WM-EM-R功效放小器的軟件應用范圍為蜂窩和PC移動信號塔、0.2至1GHz廣泛應用、無線數字電服務質量和直播等
AM011037WM-EM-R必要叁數:
速率:0.2-1.0GHz
增益控制:31
P1dB(DBM):37
PSAT(DBM):37.5
錯誤率:40%
VD(V):8

珠海市立維創展高新科技是ADI集團公司和AMCOM機構的加盟商,推新ADI的數據文件改變器、高速路DAC、圖像電壓放大器和線性網絡物料、頻射(RF) IC、電源線管理制度廠品、來源于微機電工程體系(MEMS)能力的傳紅外感應器器、某些結構類型傳紅外感應器器或是電磁波解決成品,包擴DSP和另外的CPU等;AMCOM總部的商品爆款紅外光網絡帶寬商品包含微波射頻多晶體管、MMIC工作電率放縮器、相溶放縮器信息模塊電源、光纖寬帶放縮器、高工作電率放縮器信息模塊電源、帶RF和DC拼接器的高公率圖像運放電路模塊圖片和低低頻噪音圖像運放電路,公率圖像運放電路,電源開關,衰減器,移相器并且上/下方直流變頻空調器的環保定制家具。予以各種需求,喜愛詢問。