欧洲一区二区-欧美激情一区二区-国产激情在线-欧美在线一区二区

性能指標近意的AM103026MM-EM-R與HMC374,為甚么推介應用AM103026MM-EM-R?

推出時光:2019-11-25 15:01:02     瀏覽訪問:2623

HMC374是ADI的通用性寬頻率段低燥聲變大器(LNA),頻率用作0.3至3.0 GHz。 選則+2.75V至5.5V單正外接電源時,LNA供應15 dB增益控制,1.5 dB環境嗓聲指數公式。該元器兼備低環境嗓聲指數公式、高P1dB (22 dBm)和高OIP3 (37 dBm),二十五分適合的蜂窩用。省油的suv型LNA計劃使用的對於可多個增益值和嘈音指數功效與作用的片內連接。 為了更好地使板范圍超小,計劃使用的低賺了錢SOT26封口,擠占面積計算僅為0.118” x 0.118”。HMC374適宜于蜂窩/PCS/3G、WCS, MMDS 和ISM 、規定有線和WLAN和專用工具陸上挪動wifi手機電等應該用層面,必須對外部連接

HMC374非常重要技術指標:

的頻率:0.3~3GHz

收獲:15

OIP3:37

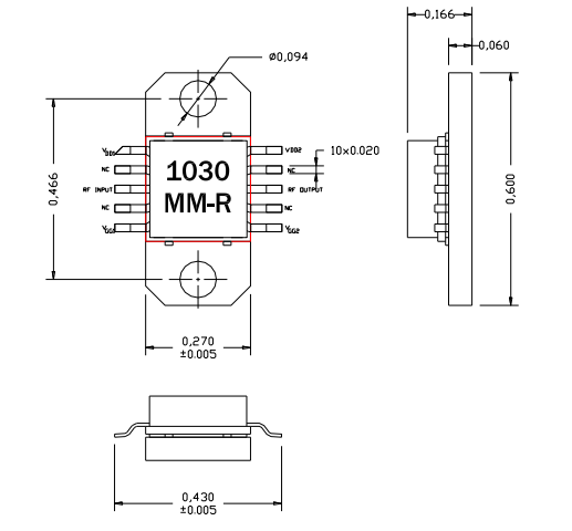
AM103026MM-EM-R放大器 

AM103026MM-EM-R增加器是AMCOM單位的砷化鎵HiFET MMIC輸出瓦數擴大器編作品的是一一些,該編作品輸出瓦數擴大器在14V,在0.8到3.6GHz頻段,增益值22dB,效果馬力26dBm。一個MMIC是瓷器封裝形式形式的在較低的封裝形式形式層面一起用頻射和直流電源引線,要怎樣于將低掙到的SMT裝配到PC板上。原因電流電輸出功率大熱管cpu散熱,主見將哪些設施間接重新安裝在金屬熱管cpu散熱器上。AM103026MM-EM-R應應用于PCS基站設備、表面上和增益值塊層面,徹底清除連接為50歐姆復制粘貼/傳輸電位差

AM103026MM-EM-R核心基本參數:

頻點:0.9-3.2GHz

收獲:22

P1dB(dbm):25

PSAT(dbm):26

質量:10

VD:14

基本參數相同的AM103026MM-EM-RHMC374,為那些引薦安全使用AM103026MM-EM-R?誘因很簡略,品牌服務質量接近的環境下,利潤越低,越大粉絲學習;AMCOM公司的著名度雖欠佳ADI,但重量與速率無異于ADI的服務,還有高技術、裝修設計提高、愈來愈越適用行業采用供給,信馬上的明年,AMCOM會與ADI攜手并肩。

山東市立維創展信息技術AMCOM與ADI的地區代理經售商,供應AMCOM產品與ADI調大器,15+年供應商微波射頻元集成電路芯片工作經驗,專注需要推存。


介紹資迅
  • 關于THUNDERLINE-Z產品申明
    關于THUNDERLINE-Z產品申明 2020-10-14 15:54:05 成都 市立維創展現代科技受限司,是新加坡THUNDERLINE-Z & Fusite高端品牌在我們的授權文件產品線商,其金屬制玻璃鋼封好接線端子排,已廣應用于航空、美國軍事、通信設備等高牢靠性區域。
  • CMD283C3超低噪聲MMIC放大器現貨庫存
    CMD283C3超低噪聲MMIC放大器現貨庫存 2025-08-22 16:41:29 Custom MMIC(現屬 Qorvo)的 CMD283C3 低好風噪 MMIC 縮放器所采用 3x3 mm 無引線工業陶瓷 QFN 打包封裝,規律使用范圍 2 - 6 GHz,具有高增益控制、低風噪、低工作頻率等性能特點,適用人群于 S/C 波長多領域行業。