企業房產資訊
上傳時段:2019-12-20 15:27:36 看:1916
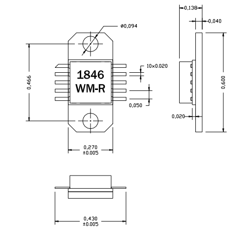
AM184635WM-EM-R是AMCOM的砷化鎵MMIC功率放大器系列的一部分。它有30dB增益和35dBmP1dB,在2.2到4.2GHz頻段。這個MMIC是一個陶瓷封裝,射頻和直流引線都在較低的水平便于低成本的SMT組裝到PC板上。當直接安裝到PCB上時,請參見申請說明AN700。由于高直流功耗,我們強烈建議安裝這些設備直接安裝在金屬散熱器上。AM184635WM-FM-R是安裝在鍍金銅法蘭托架。EM封裝與FM封裝具有相同的封裝尺寸,采用直引線用銅/鎢法蘭代替銅法蘭。法蘭上有兩個螺孔,以便擰上金屬散熱器。這個MMIC是符合RoHS的。

AM184635WM-EM-R的特點
從1.8到4.6GHz的移動寬帶
高效果瓦數,P1dB=35dBm
高收獲,30dB
徹底切換;50歐姆放入/導出特性阻抗
AM184635WM-EM-R使用
wifi網絡網接入使用
wlan本地人環路
雙項wifi電
AM184635WM-EM-R主要性能指標
的頻率:1.8-4.6GHz
增加收益:30
P1dB(DBM):35
PSAT(DBM):37
質量:25
VD(V):7
廣州市立維創展新材料技術是AMCOM集團總銷售商,其注意紅外光帶寬產品是指rf射頻硫化鋅管、MMIC額定工作電壓增加器、融合增加器引擎、帶寬增加器、高額定工作電壓增加器引擎、帶RF和DC對接器的高電耗油率圖像電壓調大器組件和低背景噪聲圖像電壓調大器,電耗油率圖像電壓調大器,啟閉,衰減器,移相器或是上/后面調頻器的個性定制。