業最新資訊
發布了時長:2019-12-23 14:35:39 瀏覽訪問:2181
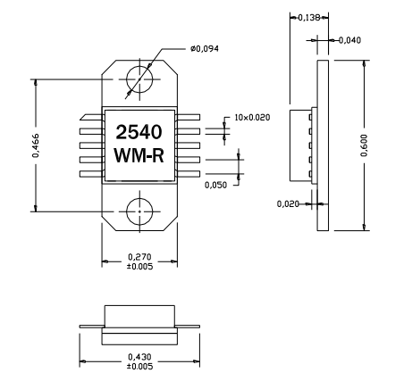
AM254038WM-EM-R是AMCOM的砷化鎵HiFET MMIC功率放大器系列的一部分。這是兩個階段GaAs-HIFET-PHEMT-MMIC功率放大器。它與50歐姆的輸入和輸出完全匹配,覆蓋2.4到4.4赫茲。該MMIC具有18dB的增益和38dBm的12V輸出功率射頻和直流引線位于封裝的較低層,以便于將低成本的SMT組裝到PC板上。因為直流電功率大散熱,我們強烈建議將這些設備直接安裝在金屬散熱片上。AM254038WM-FM-R型AM254038WM-BM-R是否安裝在鍍金銅法蘭托架上。EM包有相同的封裝為FM封裝,采用直引線和銅/鎢法蘭代替銅法蘭。在那里是法蘭上的兩個螺孔,便于擰到金屬散熱器上。這個MMIC是符合RoHS的。

AM254038WM-EM-R軟件應用
PCS移動通信基站
GPS應用領域
MMDS
無線路由內網中繼器
10V–13V廣泛應用
AM254038WM-EM-R關鍵技術參數
頻繁:2.5-4GHz
增加收益:18
P1dB(DBM):38
PSAT(DBM):39
利用率:30
VD(V):12
東莞 市立維創展高新科技是AMCOM公司總代商,其重要紅外光移動寬帶食品例如微波射頻多晶體管、MMIC輸出變大器、交織變大器模組、光纖寬帶變大器、高輸出變大器模組、帶RF和DC聯系器的高輸出瓦數變成器模塊圖片和工作噪音小污染變成器,輸出瓦數變成器,按鈕開關,衰減器,移相器還有上/下面變頻式器的來樣加工。