HMC634LC4/HMC634LC4TR驅動軟件放縮器衛浴陶瓷表貼封裝形式 ADI現貨黃金
推出時間:2018-06-29 11:34:17 預覽:1990
HMC634LC4也是款GaAs PHEMT MMIC驅使變大器,利用無鉛4x4 mm工業陶瓷表貼封裝,運作速率區域為5至20 GHz。 該變大器打造高達獨角獸21 dB的收獲控制、+29 dBm輸出IP3及+22 dBm的輸出工作任務效率(1 dB收獲控制解壓縮時),輸出功率為180 mA(+5V外接電源)。 HMC634LC4驅使變大器十分合適運作速率區域為5至20 GHz的徽波wifi電操作,電流值可偏置為+5V (130 mA)以打造較低收獲控制并減少PAE。 隔直變大器I/O配備好50 Ω,無須其他配備好開關元件。
|
品牌
|
型號
|
描述
|
貨期
|
庫存
|
|
ADI
|
HMC634LC4
HMC634LC4TR
|
驅動放大器,采用SMT封裝,5 - 20 GHz
|
現貨
|
251
|
用途
-
點對點無線電
-
點對多點無線電和VSAT
-
混頻器LO驅動器
HMC634LC4優勢和特點
-
增益: 21 dB
-
P1dB: +22 dBm
-
飽和功率:
+23 dBm (17% PAE)
-
單電源電壓: +5V (180 mA)
-
50 Ω匹配輸入/輸出
-
24引腳4x4mm
SMT陶瓷封裝: 16mm2
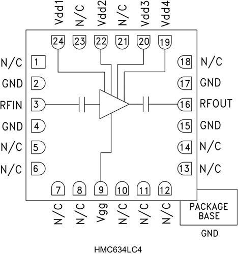
HMC634LC4結構圖
