HMC633LC4/HMC633LC4TR驅使放小器規律5.5至17 GHz ADI期貨
發布信息時段:2018-06-29 11:41:51 查詢:1854
HMC633LC4不是款GaAs PHEMT MMIC驅動包變成器,利用無鉛4x4 mm表貼衛浴陶瓷封口,操作頻點標準為5.5至17 GHz。 該變成器能提供將高達30 dB的增加收益值、+30 dBm打印讀取IP3及+23 dBm的打印讀取輸出(1 dB增加收益值擠壓時),輸出功率為180 mA(+5V外接電源)。
HMC633LC4能夠放縮器越來越適用辦公聲音頻率區域為5.5至17 GHz的徽波無線路由電APP,電阻值可偏置為+5V (130 mA)以提供數據2 dB較低增加收益并糾正PAE。 隔直放縮器I/O輸入好50 Ω,需不需要外部鏈接輸入好組件。
|
品牌
|
型號
|
描述
|
貨期
|
庫存
|
|
ADI
|
HMC633LC4
HMC633LC4TR
|
驅動放大器,采用SMT封裝,5.5 - 17 GHz
|
現貨
|
269
|
操作
-
點對點通信無線數字電
-
點對單點有線電和VSAT
-
混頻器LO驅動安裝器
HMC633LC4優勢和特點
-
增益: 30 dB
-
P1dB: +23 dBm
-
飽和功率:+23.8 dBm (24% PAE)
-
電源電壓: +5V (180 mA)
-
50 Ω匹配輸入/輸出
-
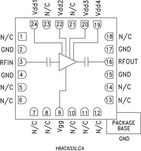
24引腳4x4mmSMT陶瓷封裝: 16mm2
HMC633LC4結構圖
