HMC383LC4/HMC383LC4TR基礎MMIC驅使拖動器 ADI現貨黃金經銷商
頒布精力:2018-06-29 13:42:06 瀏覽訪問:2345
HMC383LC4就是一款萬能GaAs PHEMT MMIC控制器安裝放小器,按照了具備規定的RoHS規定的的無引腳SMT打包二極管封裝。 該放小器按照了+5V單電原,增加收益為15 dB,趨于穩定工率為+18 dBm。 在整體的操作頻寬內具有著不同的增加收益和輸入工率,然而就可以在眾多遠程電頻段選用兩個萬能的控制器安裝器/LO放小器。 隔直RF I/O相匹配至50 Ω,選用便捷。 HMC383LC4按照了具備規定的RoHS規定的的無引腳4x4 mm 打包二極管封裝,兼容面上貼裝創造技木。
|
品牌
|
型號
|
描述
|
貨期
|
庫存
|
|
ADI
|
HMC383LC4
HMC383LC4TR
|
中等功率放大器SMT,12 - 30 GHz
|
現貨
|
337
|
HMC383LC4應用
-
點對點無線電
-
點對多點無線電和VSAT
-
測試設備和傳感器
-
HMC混頻器LO驅動器
-
軍事和太空
HMC383LC4優勢和特點
-
增益: 15 dB
-
飽和輸出功率: +18 dBm
-
輸出IP3: +25 dBm
-
單正電源:
+5V (100 mA)
-
50 Ω匹配輸入/輸出
-
符合RoHS標準的4x4 mm封裝
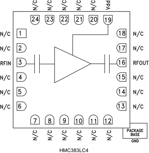
HMC383LC4結構圖
