HMC1063LP3E/HMC1063LP3ETR密集型I/Q MMIC混頻器 ADI現貨交易
發部時光:2018-07-02 14:41:15 瀏覽網頁:1899
HMC1063LP3E就是一款家用suv轎車型I/Q MMIC混頻器,分為“無鉛”SMT裝封,就可以用在作映射壓制混頻器或單側加上變頻器。 該混頻器分為兩標準單位Hittite雙發展混頻器單位和一款 70度比調功率器材,均分為GaAs Schottky電子元器材大家庭中的一員-二極管技藝制作。 低頻正交比調功率器材安全使用在造成1,000 MHz LSB IF輸送。 該產品設備為比調型映射壓制混頻器和單側加上變頻器零件的小改用功率器材。 HMC1063LP3E不要線焊,就可以安全使用表貼制作枝術。
|
品牌
|
型號
|
描述
|
貨期
|
庫存
|
|
ADI
|
HMC1063LP3E
HMC1063LP3ET
|
GaAs MMIC I/Q混頻器,24 - 28 GHz
|
現貨
|
259
|
HMC1063LP3E應用
-
點對點和點對多點無線電
-
軍用雷達、EW和ELINT
-
衛星通信
-
傳感器
HMC1063LP3E優勢和特點
-
低LO功率: 10 dBm
-
寬IF帶寬: DC - 3 GHz
-
鏡像抑制: 21 dBc
-
LO/RF隔離: 40 dB
-
高輸入IP3: 17 dBm
-
16引腳3x3 mm SMT封裝: 9 mm2
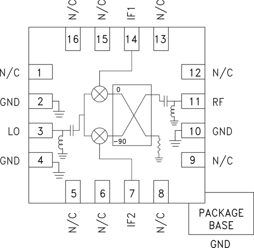
HMC1063LP3E結構圖
