制造業資訊、短視頻軟件
推出時長:2018-07-03 10:49:29 閱覽:1917
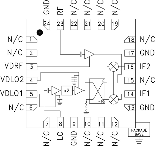
HMC967LP4E是一款緊湊型GaAs MMIC I/Q下變頻器,采用符合RoHS標準的無引腳SMT封裝。 該器件提供15 dB的小信號轉換增益、2.5 dB的噪聲系數,并在頻段范圍內提供25 dBc的鏡像抑制性能。 HMC967LP4E采用LNA,后接由有源x2倍頻器驅動的鏡像抑制混頻器。 該鏡像抑制混頻器使得LNA之后無需使用濾波器,并可消除鏡像頻率下的熱噪聲。 它具有I和Q混頻器輸出,所需外部90°混合型器件用于選擇所需邊帶。立維創展 ADI現貨交易 HMC967LP4E是混合型鏡像抑制混頻器下變頻器組件的小型替代器件,兼容表貼制造技術。
| 品牌 | 型號 | 描述 | 貨期 | 庫存 |
| ADI |
HMC967LP4E HMC967LP4ETR |
I/Q下變頻器,采用SMT封裝,21 - 24 GHz | 現貨 | 153 |
HMC967LP4E應用
HMC967LP4E優勢和特點
HMC967LP4E結構圖
