HMC904LC5/HMC904LC5TRwifi手機電下變頻器 ADI現貨平臺代理加盟商
更新精力:2018-07-03 13:45:37 閱讀:2395
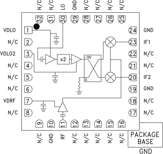
HMC904LC5一款密集型GaAs MMIC I/Q下直流變頻空調器,適用適合RoHS的標準的無引腳SMT二極管封裝。 該電子元器件出具12 dB的小4g信號轉換成增益控制、3 dB的噪聲污染比率,并在頻段超范圍內出具30 dB的鏡像軟件軟件抑止特性。 HMC904LC5適用LNA,后接由有源x2倍頻器控制的鏡像軟件軟件抑止混頻器。
該映射減弱混頻器這讓LNA后續無須動用濾波器,并可解決映射規律下的熱環境噪聲。 它更具I和Q混頻器打印輸出,必需外面90°混后式型元件適用于選定必需邊帶。 HMC904LC5是混后式型映射減弱混頻器下變頻柜器部件的家庭型代替元件,兼容表貼創造能力。
|
品牌
|
型號
|
描述
|
貨期
|
庫存
|
|
ADI
|
HMC904LC5
HMC904LC5TR
|
GaAs MMIC I/Q下變頻器,17 - 24 GHz
|
現貨
|
105
|
用
-
雙向和點對多方無線路由電
-
軍用裝備預警雷達、EW和ELINT
HMC904LC5優勢和特點
-
轉換增益: 12 dB
-
鏡像抑制: 30 dB
-
2 LO至RF隔離: 45 dB
-
噪聲系數: 3 dB
-
輸入IP3: 0 dBm
-
32引腳5x5mm SMT封裝: 25mm2
HMC904LC5結構圖
