HMC713LP3ETR/HMC713LP3E對數計算檢波器/把握器 ADI現貨黃金
發布的精力:2018-07-09 12:01:46 訪問:6927
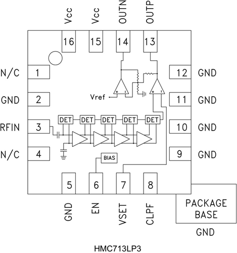
HMC713LP3E多數檢波器/操控器相當合適將RF的衛星信號(50 MHz至8000 MHz頻次規模內)的工作電機功率在傷害端裝換為與所在工作電機功率正比的整流電阻。 HMC713LP3E所采用間斷縮小水平,可在寬所在頻次規模內可以提供兼具高測量導致精度的54 dB信息規模。 不斷地所在的衛星信號擴大,間斷圖像放大電路越來越走進飽和,然后提取準確的多數函數公式相當于值。 一系統檢波器傷害求和、裝變成電阻域并降低驅動器OUTP傷害。
若您有一點疑慮,請鏈接各位立維創展,各位會盡較大 奮斗為您提供服務性。
在檢則模試下,OUTP引腳連入到VSET復制粘貼,作為17 mV/dB標稱對數計算斜率和-68 dBm截距。
HMC713LP3E也能夠 在抑制器傳統狀態下運行,在該傳統狀態下向VSET引腳增加外輸出功率以實現目標AGC或APC反映環路。
|
品牌
|
型號
|
描述
|
貨期
|
庫存
|
|
ADI
|
HMC713LP3ETR
HMC713LP3E
|
54 dB對數檢波器/控制器,采用SMT封裝,50 - 8000 MHz
|
現貨
|
170
|
HMC713LP3ETR應該用
-
蜂窩基礎設施
-
WiMAX, WiBro和amp; LTE/4G
-
電源監控和控制電路
-
接收機信號強度指示(RSSI)
-
蜂窩基礎設施
-
自動增益和功率控制
HMC713LP3ETR優勢和特點
-
寬動態范圍: 高達54 dB
-
高精度: ±1 dB (54 dB)
范圍高達2.7 GHz
-
快速輸出響應時間
-
電源電壓: +2.7至+5.5V
-
省電模式
-
出色的溫度穩定性
-
16引腳3x3 mm SMT封裝: 9mm2
HMC713LP3ETR結構圖
